Viscoelastic systems for well construction
- Authors: Loginova M.E.1, Agzamov F.A.1
-
Affiliations:
- Ufa State Petroleum Technical University
- Issue: Vol 4, No 1 (2022)
- Pages: 58-68
- Section: Articles
- URL: https://vestnik-ngo.kz/2707-4226/article/view/104413
- DOI: https://doi.org/10.54859/kjogi104413
- ID: 104413
Cite item
Abstract
One of the most important factors ensuring the required quality of well cementing is the use of effective flushing fluids (spacers). Among these fluids are viscoelastic systems (VES), which provide the best displacement of the drilling fluid during the cementing process.
The article discusses the mechanism of polymerization of viscoelastic systems when using polyacrylamide cross-linked with polyvalent metal cations and the prospects for using these systems for oil and gas wells cementing. Models of the viscoelastic systems flow and their differences due to the presence of normal stresses in viscoelastic systems are shown in this article. The substantiation of the component composition of viscoelastic systems and their main properties, ensuring their efficiency as flushing fluids are given. The article also provides a description of the scientific instruments that were used during the research.
It has been experimentally confirmed that it is necessary to use additives with the highest oxidation state when choosing a polyvalent cation as a "cross-linker" for viscoelastic systems. This will help to increase the rate of strength characteristics development. The most adequate ratios of components have been experimentally substantiated and the best solids-carrying capacity of a viscoelastic flushing fluid in comparison with other types has been proven. This eliminates the possibility of cement slurry flowing down in the annular space after the completion of the cementing process.
The special installations proved the best degree of wellbore cleaning in vugular formation zones with a laminar flow regime. In order to minimize the negative effect of polymer films from viscoelastic systems on the adhesion of the cement stone to the casing strings it is recommended to inject a portion of the liquid containing the polymer destructor after a portion of the viscoelastic fluid.
Keywords
Full Text
Введение
Буферные жидкости являются неотъемлемой технологической жидкостью при цементировании любых скважин [1–4]. Закачиваемые перед цементным раствором буферные жидкости предупреждают его смешивание с промывочной жидкостью и предупреждают ухудшение разделяемых систем. Важнейшей функцией буферных жидкостей является повышение эффективности удаления промывочной жидкости из каверн, т.е. повышение степени замещения промывочной жидкости тампонажным. Кроме того, буферные жидкости должны удалять фильтрационную корку со стенок скважины, отмывать пленку бурового раствора со стенок обсадной колонны и выполнять ещё многие другие функции.
Естественно, что для эффективной работы буферные жидкости должны обладать целым рядом свойств, среди которых наиболее важными являются реологические характеристики, плотность и др. [5, 6].
Среди множества видов буферных жидкостей особое внимание привлекают вязкоупругие системы (далее – ВУС), которые получили большую популярность в нефтегазовой отрасли, в т.ч. при строительстве скважин, где они используются для удаления шлама в горизонтальных стволах скважины. Однако наибольшее применение ВУС нашли в качестве буферных жидкостей при креплении скважин.
О механизме полимеризации ВУС
ВУС – это растворы полимеров, которые представляет собой поликонденсационную сетчатую структуру, сшитую ионами поливалентных металлов [7]. Благодаря структуре, образованной химическими связями, система обладает одновременно вязкими и упругими свойствами, обусловленные наличием нормальных напряжений при движении жидкости. Данная система не подчиняется привычным моделям и законам движения жидкости, что дает необычные результаты в исследовании этой системы [8–10].
Среди наиболее отличительных особенностей вязкоупругих систем можно выделить наличие у них нормальных напряжений, что проявляется, например, в эффекте Вайсенберга, суть которого состоит в том, что при вращении в вязкоупругой жидкости лопастной мешалки ВУС «ползет» вверх по стержню, тогда как в традиционных вязких или вязкопластичных жидкостях обычно образуется воронка [11].
Именно наличие нормальных напряжений обеспечивает данному типу жидкостей уникальные свойства, обеспечивающие их высокую эффективность в процессах строительства скважин [12, 13].
ВУС обладают промежуточными свойствами между растворами полимеров и резиноподобными телами. Благодаря сетке, образованной химическими связями, для них характерны конечные упругие деформации.
Поликонденсация происходит за счет «сшивки» макромолекул полимеров ионами многовалентных металлов. Скорость сшивки можно регулировать содержанием солей, pH среды, а при высоких температурах добавками реагентов, замедляющих процесс сшивки. В качестве замедлителей используют вещества, образующие с ионами металла, применяемого для сшивки, водорастворимые комплексные или хелатные соединения. Термостабильность сшитых гелей различна, поэтому в зависимости от требуемой температуры выбирают тот или иной ион металла или их смесь. Механизм взаимодействия полимерных реагентов (полиакриламидов (далее – ПАА), полисахаридов, биополимеров) с поливалентным катионом заключается в том, что при вводе в раствор полимера катионов поливалентных металлов происходит формирование мостичных связей между макромолекулами, в результате чего последние теряют кинетическую самостоятельность, а образующаяся система лишается способности необратимо деформироваться (течь). В процессе гелеобразования макромолекулы полимеров в присутствии ионов поливалентных металлов образуют трехмерную сетчатую структуру высокой механической прочности, внутри которой иммобилизуется жидкость (вода). Механизм гелеобразования включает образование поперечных связей между соседними макромолекулами через взаимодействие свободных карбонильных, карбоксильных и гидроксильных групп полимеров с ионами поливалентных металлов.
В то же время после применения ВУС в качестве буферной жидкости на стенках обсадной колонны и стенках скважины остается полимерная пленка, снижающая качество контакта цементного камня с ограничивающими поверхностями. В конечном счете это может проявиться в ухудшении результатов акустической цементометрии. В этой связи важно знать эффективность различных реагентов деструкторов ВУС для того, чтобы их использовать в составе порции буферной жидкости, закачиваемой после ВУС.
В работе [14] рассмотрены деструкторы кислотного типа, механизм действия которых основан на понижении рН и разрушении связей, образованных поливалентными металлами. В качестве деструкторов были рассмотрены серная, соляная, лимонная; сульфаминовая, уксусная и щавелевая кислоты [14]. При этом было показано, что основное действие деструкторов направлено больше на разрушение связей ионов металла, чем на понижение среду рН. Кроме кислот, существует еще несколько типов деструкторов, например, перекись водорода, окислители, энзимы.
Теоретические аспекты реологии ВУС
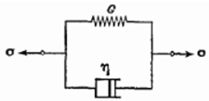
Первые модели для вязкоупругого материала были предложены Д.Т. Максвеллом (рис. 1) и Т.У. Кельвином (рис. 2) [8]. Модель Максвелла представляет собой последовательно соединённые пружину и демпфер, причем в данной модели напряжение одинаково в каждом элементе, а общая деформация равна сумме деформаций демпфера и пружины.
Рисунок 1. Модель Максвелла
Рисунок 2. Модель Кельвина
Соотношение между напряжением и деформацией для модели Максвелла описывается формулой (1):
(1)
Модель Кельвина представляет собой параллельное соединение пружины и демпфера, при этом деформации в каждом элементе одинаковые. Общее напряжение равно сумме напряжений на обоих элементов (рис. 2).
Соотношение между напряжением и деформацией для модели Кельвина описывается формулой (2):
(2)
Однако последующие исследования ВУС показали, что простые модели Максвелла и Кельвина не дают точного описания движения реальных ВУС и потому требуют более сложных комбинаций моделей «пружина - демпфер».
В частности, известны трех- и четырехпараметрические модели. Последняя способна описать уже 3 основных типа поведения среды, поскольку она объединяет в себе мгновенную упругую реакцию за счет пружины и течение вязкой жидкости трехпараметрической модели (рис. 3) [8].
Рисунок 3. Четырехпараметрическая модель вязкоупругой жидкости
Для описания принципа действия данной модели применяют соотношение возникающих напряжения и деформации на каждом участке узла формулой (3):
(3)
где p и q – коэффициенты, зависящие от способа соединения элементов в модели.
В то же время нет работ, показывающих необходимые требования по основным свойствам ВУС, обеспечивающим наилучшую эффективность их применения в качестве вязкоупругих буферных жидкостей (далее – ВУБЖ).
При этом надо учитывать, что ВУБЖ закачивается в обсадные трубы, а затем переходит в затрубное пространство перед тампонажными растворами с помощью цементировочных агрегатов. Однако приготовленная высоковязкая ВУС с хорошими вытесняющими свойствами может не «захватываться» для закачки даже поршневыми или плунжерными насосами. Наличие высоковязкой пачки, движущейся в трубах и затрубном пространстве, может привести к повышению давления на насосах или на пласты в скважине, провоцируя поглощение технологических жидкостей или гидроразрыв пластов. Очевидно, следует оценить допустимые значения реологических свойств ВУС или определить время набора прочности структуры.
Методы исследования и применяемые материалы
Основными требованиями, предъявляемыми к ВУС, используемым в качестве ВУБЖ, являются: прочность и однородность структуры, минимальное водоотделение, способность к заполнению затрубного пространства, удержание столба цементного раствора, недопущение его перетока под ВУС, восстановление основных свойств после деформации.
После анализа имеющихся составов ВУС для проведения исследований использовались следующие ингредиенты:
– в качестве поставщиков катионов – бихромат натрия и сульфат алюминия;
– в роли полимера – ПАА типов Flodrill Pam 1040 и Flodrill TS 705.
Бихромат натрия – это нелетучие кристаллы от светло-оранжевого до темно-красного цвета, хорошо растворимые в воде и полярных растворителях. Данный продукт является сильным окислителем, химическая формула Na2Cr2O7. Катион хрома обладает степенью окисления +6.
Сульфат алюминия – сложное неорганическое соединение соли алюминия и серной кислоты, которое может образовывать кристаллогидраты с разным содержанием воды и имеет химическую формулу Al2(SO4)3. Катион алюминия обладает степенью окисления +3.
Flodrill TS 705 – это акрилат натрия, бесцветный порошок, применяемый для контроля водоотдачи в тампонажных и буровых растворах, а также для защиты чувствительных структур дисперсных систем от повреждений. Хорошо снижает фильтрацию растворов и применим при высоких давлениях и температурах.
Flodrill PAM 1040 – частично гидролизованный ПАА, применяемый в качестве загустителя бурового раствора, а также в роли ингибитора набухания глин.
Готовность ВУС оценивалась по упругой характеристике, полученной с помощью конуса Ребиндера [15]. При известном весе конуса и измеренной площади его контакта с ВУС во время погружения рассчитывается сопротивление погружению конуса, которое косвенно характеризует вязкоупругие свойства системы.
Реологические свойства полученных ВУС исследовались с помощью высокоточного реометра HAAKE MARS III методом «плоскость - плоскость», позволяющим измерять различные типы жидкостей для составления реологических характеристик, особенно для вязких систем. Данное оборудование представляет собой аппаратно-программный комплекс, состоящий из измерительного устройства (ротационный вискозиметр) с цифровым интерфейсом и персонального компьютера, снабженного программным обеспечением для управления измерительным устройством и обработки данных экспериментов. Также в установке НААКЕ МАRS III имеется дополнительная опция RheoWin для измерения образцов в осевом направлении (воздействие в вертикальном направлении нажатием или растяжением образца, с фиксацией положения зонда, приложенных напряжений и сил [16, 17]). По полученным данным можно определить тип жидкости, реологические характеристики, зависимости от тангенциального, нормального или температурного воздействия на систему. Данный реометр использует 3 вида испытаний: сдвиговой тест, осцилляторный тест и тест ползучести. Первый тест определяет зависимость напряжения сдвига и скорость сдвига. Осцилляционный тест является одним из самых эффективных методик исследования ВУС. Другие тесты, полученные на этом приборе, позволяют охарактеризовать упругость исследуемых систем. Тест ползучести в большой степени подходит для изучения ВУС.
Для изучения других свойств ВУС использованы стандартные приборы и оригинальные установки.
Результаты экспериментальных исследований ВУС
Оценка прочности ВУС. Влияние сшивателей – поливалентных металлов – на прочностные показатели ВУС показано в табл. 1.
Таблица 1. Влияние сшивателей на скорость набора вязкоупругих свойств ВУС
Время, мин | Сила сопротивления погружению конуса при использовании сшивателей, Па | |
Al2(SO4)3 | Na2Cr2O7 | |
0 | 30,4 | 32,1 |
2 | 38,4 | 43,5 |
4 | 42,8 | 51,2 |
6 | 51,2 | 61,2 |
12 | 61,6 | 75,3 |
18 | 75,3 | 85,3 |
24 | 78,9 | 90,1 |
Из табл. 2 видно, что наиболее быстрая скорость набора вязкоупругих характеристик наблюдается у бихромата натрия. Это связано с большой степенью окисления поливалентного металла. Отдав электрон внешнего слоя кислороду, тем самым став положительно заряженным ионом со степенью окисления 6+, хром при взаимодействии частично гидролизованным полиакриламидом образует ионную связь с макромолекулами полимера (рис. 4), которая обладает более сильными прочностными характеристиками, чем, например, при использовании реагентов с катионом алюминия, у которого степень окисления равна 3+.
Таблица 2. Результаты исследования вытесняющей способности буферных жидкостей
Расход жидкости, л/с | Буферная жидкость | Объем образовавшейся смеси, л | Коэффициент вытеснения | Коэффициент смешения |
1,5 | Азимут БХ | 6,3 | 0,697 | 0,303 |
Flodrillpam 1040 | 5,7 | 0,796 | 0,204 | |
Flodrillpam 1040 с сшивателем | 4,9 | 0,884 | 0,116 |
Рисунок 4. Структурная формула гидролизованного ПАА с бихроматом хрома
Однако высокая степень окисления катиона металла не всегда положительно сказывается на седиментационной и агрегативной устойчивости системы. При концентрации полимера более 7–8% ПАА коагулировал и выпадал в осадок в виде полимерных шариков.
Проведенные эксперименты показали, что лучшие результаты получены при использовании в качестве структурообразователя Flodrill PAM 1040, в роли сшивателя бихромат натрия Na2Cr2O7. В состав ВУС входили:
- Flodrill PAM 1040 с постоянной концентрацией 4%;
- бихромат натрия с концентрациями (0,25–4%);
- техническая вода 150 мл.
Оценка реологических свойств ВУС
Исследовались реологические характеристики ВУС при концентрациях Na2Cr2O7 и ПАА в соотношениях 1:1; 3:4; 1:2; 1:4; 1:6; 1:8; 1:16 и температуре 25°С. Скорости сдвига соответствовали течению этих жидкостей в обсадных трубах (500 с-1) и в затрубном пространстве скважины (227 с-1). Полученные следующие представлены на рис. 5–7.
Рисунок 5. Влияние концентрации Na2Cr2O7 на вязкость ВУС
Рисунок 6. Влияние Na2Cr2O7 на напряжения буферной жидкости в трубном пространстве при τ = 500 с-1
Рисунок 7. Влияние Na2Cr2O7 на напряжения буферной жидкости в затрубном пространстве при τ = 227 с-1
Результаты экспериментов, приведенные на рис. 5–7, показали, что при соотношении Na2Cr2O7 : ПАА = 1:8 вязкость буферной жидкости является более оптимальной [5]. Возможно, это связано с выпрямлением сетчатой структуры макромолекул полимера с увеличением силы ионизации полимера. При добавлении в систему поливалентого металла образуются полимеры – полиэлектролиты (рис. 8).
Рисунок 8. Структурная форма полимерного (полиакрилового) полиэлектролита
В диапазоне соотношений 0–1/8 концентрация катионов хрома мала, возникающие электростатические силы отталкивания макромолекул полимера минимальны и недостаточны для развертывания цепи полимера (рис. 9, а).
Рисунок 9. Структура макромолекул полиэлектролита в неионизованном (а) и ионизованном (б) состоянии
С повышением концентрации катионов металла в диапазоне 1/8–1/4 степень ионизации полученных полимеров значительно выше, чем исходных поликислот, следовательно, сила электростатического отталкивания выше. При соответствующих силах электростатического отталкивания это приводит к развертыванию молекулярный цепей и к сильному увеличению размеров клубков (рис. 9, б). В таком положении трение между клубками полимера меньше, чем в сжатом положении цепи, следовательно, меньше вязкость.
При концентрации бихромата натрия в диапазоне 1/4–1 развёрнутые полимерные цепи полимера начинают полностью переходить к вытянутым конфигурациям. При этом степень ионизации увеличивается, и влияние электростатических сил возрастает. Образованные цепи увеличиваются в размерах, и возникает вторичный электровязкостный эффект, благодаря силам электростатическим отталкивания [18].
Поскольку степень очистки ствола скважины и вытеснение бурового раствора зависят от соотношения вязкостей контактирующих жидкостей, по результатам испытаний оптимальным соотношением концентрации бихромата натрия и ПАА (Flodrill PAM 1040) является диапазон 1/16–1/8.
Исследование удерживающей способности ВУС
Сравнивались 3 вида буферных жидкостей:
- Буферная жидкость № 1 на основе ПАА (Flodrill) 4%, бихромата натрия 0,5% и технической воды.
- Буферная жидкость № 2, приготовленная на основе сухого буферного порошка Азимут БХ с армирующим наполнителем ВСМ-II-6.
- Буферная жидкость № 3 на основе технической воды с хлопчатобумажным наполнителем.
В качестве тампонажной смеси был использован портландцемент тампонажный (далее – ПЦТ) I-G-СС-1, с водоцементным отношением 0,5.
Для оценки удерживающей способности буферных жидкостей использовано оборудование, показанное на рис. 10. В верхний перфорированный стакан заливались испытуемые буферные жидкости, поверх которых заливался цементный раствор. Через 8 ч испытания буферный раствор на основе технической воды с хлопчатобумажным наполнителем не смог удержать тампонажный раствор, тогда как другие буферные жидкости достаточно хорошо препятствовали смешению контактирующих растворов. Однако во время ожидания затвердевания цемента (далее – ОЗЦ) через буферную жидкость № 2 произошло языковое перетекание цементного раствора.
Рисунок 10. Схема прибора для оценки удерживающей способности буферной жидкости. 1 – резиновые прокладки; 2 – цементный раствор; 3 – стаканы; 4 – буферная жидкость; 5 – техническая вода
Исследование процессов вытеснения буферной жидкости технологических жидкостей. Эксперименты проводились на установке, описанной в [19], которая представляла собой модель наклонного участка скважины (30°) с находящейся в ней обсадной колонной. В качестве вытесняемой жидкости использован глинистый раствор плотностью 1100 кг/м³. При этом критерии подобия раствора в модели и в реальной скважине соблюдались.
Для проведения экспериментов использованы 3 вязкоупругих буферных жидкости:
– ВУС Азимут БХ;
– 4%-ый ПАА (Flodrill PAM 1040) без сшивателя;
– 4%-ый ПАА (Flodrill PAM 1040) с сшивателем.
Результаты экспериментов представлены в табл. 2.
При использовании установки с моделью каверны [20] было показано, что вязкоупругий буфер перемещался по всему объему каверны, полностью заполняя кольцевое пространство скважины. При этом отсутствовало смешение растворов и не наблюдалось застойных зон в каверне. Вытеснение двух растворов было наиболее полным, по сравнению с замещением тех же растворов, но без ВУБЖ.
Оценка влияния полимерной пленки на адгезию цементного камня с обсадной колонной
В качестве тампонажной смеси был использован ПЦТ I-G-СС-1 с с водоцементным отношением 0,5. Промывочная жидкость была представлена полимерглинистым раствором включающем (бентонит – 6%, биоксан – 0,2%, КМЦ – 0,5%, мраморной крошки – 10%, Na2СО3 – 2%, КСl – 5%, ФХЛС – 1,5%, техническая вода). Буферная жидкость включала Flodrill PAM 1040 4%, бихромат натрия 0,5% и техническую воду. Прочность контакта цементного камня с металлом оценивалась по усилию выпрессовывания цементного камня из металлических колец, которые поочередно заливались промывочной жидкостью (выдержка 10 мин), буферной жидкостью (выдержка 1 мин), цементным раствором (ОЗЦ 2–14 сут). Кроме этого, проводились испытания без использования буферной жидкости и с использованием в качестве буферной жидкости разбавленного цементного раствора плотностью 1200 кг/м³. Результаты эксперимента представлены на рис. 11.
Рисунок 11. Влияние буферных жидкостей на сцепление цементного камня с металлом
Проведенные эксперименты показали, что образованная полимер-глинистая плёнка повышает силу адгезии цементного камня со стенкой скважины примерно на 70%. Это объясняется тем, что образованная пленка выступает промежуточной зоной в системе «цементный камень – фильтрационная корка – горная порода». По мере гидратации и твердения цементного раствора полимер, взаимодействуя с продуктами гидратации цемента, может образовать новые кристаллогидраты, которые имеют большую лиофильность к образованию прочностных связей с цементом камнем и, как следствие, повышают прочность и адгезию системы. Однако полимерная пленка всё равно ухудшает качество контакта цементного камня с обсадной колонной, поэтому её лучше всего удалять. Для этого целесообразно применять комплексные буферные жидкости, включающие ВУС, для лучшего вытеснения бурового раствора из каверн, при этом вторая отмывающая порция буферной жидкости – на основе деструктора полимера, а третья порция может быть для упрочнения оставшейся части глинистой корки на стенках скважины [21].
Заключение
- При выборе поливалентного катиона в качестве «сшивателя» вязкоупругих систем необходимо использовать добавки с наибольшей степенью окисления, например, Сr+6 или Al+³.
- Катионы с большей степенью окисления металла повышают скорость набора прочностных характеристик ВУС, по сравнению с использованием катионов металла с меньшей степенью окисления.
- Повышение концентрации катиона хрома увеличивает вязкость системы за счет роста сил электростатического отталкивания и развёртывает в цепи полимерную сетчатую структуру. Максимальная вязкость ВУС наблюдается при соотношении концентрации бихромата натрия и ПАА (Flodrill PAM 1040) 1/16–/1/8.
- ВУБЖ демонстрируют лучшую удерживающую способность по сравнению с другими видами буферных жидкостей, что исключает переток цементного раствора вниз в затрубном пространстве скважин после окончания процесса цементирования.
- Экспериментально показано, что ВУБЖ на основе ПАА и бихромата натрия обеспечивает наилучшую степень очистки ствола скважины в зонах каверн при ламинарном режиме течения.
- Использование ВУБЖ на 70–80% повысила прочность контакта цементного камня с металлом при наличии полимер-глинистой пленки за счет образования полимерных кристаллических полугидратов в месте контакта цементного раствора и полимер-глинистой корки.
- Для минимизации негативного влияния полимерных пленок на сцепление цементного камня с обсадными колоннами целесообразно после порции ВУБЖ закачивать порцию жидкости, содержащей деструктор полимера.
About the authors
Marianna E. Loginova
Ufa State Petroleum Technical University
Email: ufamel@yandex.ru
канд. физ.-мат. наук, доцент кафедры «Бурение нефтяных и газовых скважин»
Russian Federation, UfaFarit A. Agzamov
Ufa State Petroleum Technical University
Author for correspondence.
Email: faritag@yandex.ru
ORCID iD: 0000-0001-5850-5261
Doctor of Sciences in Technology, Professor, Oil and Gas Well Drilling Department
Russian Federation, UfaReferences
- Агзамов Ф.А., Акбулатов Т.О., Аксенова Н.А., Анашкина А.Е., и др. Технология бурения нефтяных и газовых скважин. Учебник для студентов вузов в 5 томах/под общей редакцией В.П.Овчинникова. – Тюмень, 2014, т. 1. // Agzamov F.A., Akbulatov T.O., Aksenova N.A., Anashkina A.E., and others. Tehnologiya bureniya neftyanyh i gazovyh skvazhin. Uchebnik dlya studentov vuzov v 5 tomah/pod obshhei redakciei V.P. Ovchinnikova [Technology of drilling oil and gas wells. Textbook for university students in 5 volumes / under the general editorship of V.P. Ovchinnikov]. – Tjumen', 2014, v. 1.
- Булатов А.И. Детективная биография герметичности крепи скважин. – Краснодар, Просвещение-Юг, 2008, 767 с. // Bulatov A.I. Detektivnaya biografiya germetichnosti krepi skvazhin [Detective biography of well support integrity]. – Krasnodar, Prosveshhenie-Yug, 2008, 767 p.
- Постников В.О., Аиграфьян М.О. Способы и устройства для разрушения глинистых корок при производстве изоляционных работ в скважинах. – Тр. ВНИИКРнефть «Осложнения при бурении и цементировании скважин», Краснодар, 1973, с. 173–181. // Postnikov V.O., Aigraf'yan M.O. Sposoby i ustroistva dlya razrusheniya glinistyh korok pri proizvodstve izolyacionnyh rabot v skvazhinah [Methods and devices for the destruction of clay cakes when performing insulation work in wells]. – Tr. VNIIKRneft' «Oslozhneniya pri burenii i cementirovanii skvazhin» [Proceedings of the All-Union Research Institute for Well Cementing and Drilling Fluids "Complications in Drilling and Cementing Wells"], Krasnodar, 1973, pp. 173–181.
- Ашрафьян М.О., А.И. Булатов, А.Л. Волик, О.А. Лебедев. Влияние течение растворов на полноту вытеснения жидкостей из кольцевого пространства при цементировании скважин. – Труды Краснодарского филиала ВНИИ, 1970, вып. 23. // Ashraf'jan M.O., A.I. Bulatov, A.L. Volik, O.A. Lebedev. Vlijanie techenie rastvorov na polnotu vytesneniya zhidkostei iz kol'cevogo prostranstva pri cementirovanii skvazhin [Influence of fluid flow on the completeness of fluid displacement from the annulus during well cementing]. – Trudy Krasnodarskogo filiala VNII [Proceedings of the Krasnodar branch of the All-Russian Research Institute], 1970, vyp. 23.
- Лихушин А.М., Мясищев В.Е., Мязин О.Г. К вопросу выбора рационального типа буферной жикдкости. – Электронный журнал «Строительство нефтяных и газовых скважин на суше и на море», 2013, вып. 12, с. 35–39. // Lihushin A.M., Mjasishhev V.E., Mjazin O.G. K voprosu vybora racional'nogo tipa bufernoi zhikdkosti [On the issue of choosing a rational type of flush liquid]. – Jelektronnyj zhurnal «Stroitel'stvo neftjanyh i gazovyh skvazhin na sushe i na more» [Electronic journal "Construction of oil and gas wells on land and at sea"], 2013, vyp. 12, pp. 35–39.
- Коптяева Е.И., Каразеев Д.В., Стрижнев В.А., Вежнин С.А., Телин А.Г. Новые сшитые полимерные составы на основе частично гидролизованного полиакриламида для ограничения водопритока и выравнивания профиля приемистости. – Нефть. Газ. Новации, 2014, №10, с. 45–49. // Koptyaeva E.I., Karazeev D.V., Strizhnev V.A., Vezhnin S.A., Telin A.G. Novye sshitye polimernye sostavy na osnove chastichno gidrolizovannogo poliakrilamida dlya ogranicheniya vodopritoka i vyravnivaniya profilya priemistosti [New cross-linked polymer compounds based on partially hydrolyzed polyacrylamide to limit water influx and levele the injectivity profile]. – Neft'. Gaz. Novacii [Oil. Gas. innovations], 2014, No.10, pp. 45–49.
- Олдройд Дж. Г. Неньютоновское течение жидкостей и твердых тел. (Под ред. Эйриха Ф.М.) – Реология, теория и приложения, М., ИЛ, 1972, 763 с. // Oldrojd Dzh. G. Nen'yutonovskoe techenie zhidkostei i tverdyh tel. (Pod red. Jejriha F.M.) [Non-Newtonian Flow of Liquids and Solids (Under the editorship of Eirich F.M.)] – Reologiya, teoriya i prilozheniya [Rheology, theory and applications], Moscow, IL, 1972, 763 p.
- Шрамм Г. Основы практической реологии и реометрии. (Пер. с англ. И.А. Лавыгина. Под ред. В.Г. Куличихина). – М., КолосС, 2003, 312 с. // Shramm G. Osnovy prakticheskoi reologii i reometrii. (Per. s angl. I.A. Lavygina. Pod red. V.G. Kulichihina) [Fundamentals of practical rheology and rheometry. (Translated from English by I.A. Lavygina. Edited by V.G. Kulichikhin)]. – Moscow, KolosS, 2003, 312 p.
- Mezger T.G., The rheology handbook: for users of rotational and oscillatory rheometers. – Hanover, Vincentz Network, 2002, 432 р.
- Barnes H.A. A handbook of elementary rheology. – Aberystwyth: Univ of Wales, Institute of Non-Newtonian Fluid Mechanics, 2000, 204 р.
- Бортников В.Г. Основы технологии переработки пластических масс: Учебное пособие для вузов. – Л., Химия, 1983, 304 с. // Bortnikov V.G. Osnovy tehnologii pererabotki plasticheskih mass: Uchebnoe posobie dlja vuzov [Fundamentals of plastics processing technology: Textbook for universities]. – L., Himija [Chemistry], 1983, p. 304.
- Телин А., Хлебникова М., Сингизова В., Калимуллина Г., Хакимов А., Кольчугин И., Исмагилов Т. Регулирование реологических и фильтрационных свойств сшитых полимерных систем с целью повышения эффективности воздействия на пласт. – Вестник инжинирингового центра ЮКОС, 2002, № 4, с. 41–45. // Telin A., Hlebnikova M., Singizova V., Kalimullina G., Hakimov A., Kol'chugin I., Ismagilov T. Regulirovanie reologicheskih i fil'tracionnyh svoistv sshityh polimernyh sistem s cel'yu povysheniya effektivnosti vozdeistviya na plast [Regulation of rheological and filtration properties of cross-linked polymer systems in order to increase the efficiency of reservoir stimulation]. – Vestnik inzhiniringovogo centra YuKOS [Bulletin of the Yukos Engineering Center], 2002, No. 4, pp. 41–45.
- Гумерова Г.Р., Яркеева Н.Р. Технология применения сшитых полимерных составов. Электронный научный журнал «Нефтегазовое дело», 2017, № 2, с. 63–79. // Gumerova G.R., Yarkeeva N.R. Tehnologiya primeneniya sshityh polimernyh sostavov [Technology of application of cross-linked polymer compositions]. Jelektronnyj nauchnyj zhurnal «Neftegazovoe delo» [Electronic scientific journal "Oil and Gas Business"], 2017, No. 2, pp. 63–79.
- Окромелидзе Г.В. Совершенствование технологии глушения нефтяных и газовых скважин с использованием вязкоупругих составов. – Диссертация на соискание ученой степени кандидата технических наук, Уфа, 2016, 198 с. // Okromelidze G.V. Sovershenstvovanie tehnologii glusheniya neftyanyh i gazovyh skvazhin s ispol'zovaniem vyazkouprugih sostavov [Improving the technology of killing oil and gas wells using viscoelastic compositions]. – Dissertacija na soiskanie uchenoj stepeni kandidata tehnicheskih nauk [Thesis for the degree of candidate of technical sciences], Ufa, 2016, 198 p.
- Мачихин Ю.А. Реометрия пищевого сырья и продуктов: Справочник. – М., Агропромиздат, 1990, с. 175–180. // Machihin Ju.A. Reometriya pishhevogo syr'ya i produktov: Spravochnik [Rheometry of food raw materials and products: Handbook]. – Moscow, Agropromizdat, 1990, pp. 175–180.
- Ильин С.О. Малкин А.Я., В.Г. Куличихин Применение метода высокоамплитудных гармонических воздействий для анализа свойств полимерных материалов в нелинейной области механического поведения. – Высокомолекулярные соединения. Серия А, 2014, т. 56, № 1, с. 99–112. // Il'in S.O. Malkin A.Ja., V.G. Kulichihin Primenenie metoda vysokoamplitudnyh garmonicheskih vozdeistvii dlya analiza svoistv polimernyh materialov v nelineinoi oblasti mehanicheskogo povedeniya [Kulichikhin Application of the method of high-amplitude harmonic effects for the analysis of the properties of polymeric materials in the nonlinear region of mechanical behavior]. – Vysokomolekuljarnye soedinenija [High-molecular compounds]. Serija A, 2014, v. 56, No. 1, pp. 99–112.
- Ильин С.О. Нелинейность реологических свойств при испытании полимерных материалов в режиме больших периодических деформаций. – Высокомолекулярные соединения. Серия А, 2015, т. 57, № 6, с. 568–581. // Il'in S.O. Nelineinost' reologicheskih svoistv pri ispytanii polimernyh materialov v rezhime bol'shih periodicheskih deformacii [Nonlinearity of rheological properties during testing polymeric materials in the regime of large periodic deformations]. – Vysokomolekuljarnye soedinenija [High-molecular compounds]. Serija A, 2015, v. 57, No. 6, pp. 568–581.
- Воробьева Е.В. Крутько Н.П. Полимерные комплексы в водных и солевых средах. – Минск, Ин-т общ. и неорган. химии Нац. акад. наук. Белоруссии, 2010, 175 с. // Vorob'eva E.V. Krut'ko N.P. Polimernye kompleksy v vodnyh i solevyh sredah [Polymer complexes in aqueous and salt media]. – Minsk, In-t obshh. i neorgan. himii Nac. akad. nauk. Belorussii [Institute of General and Inorganic Chemistry of the National Academy of Sciences of Belarus], 2010, 175 p.
- Нагимов И.Р., Фатихов Р.И., Агзамов Ф.А. Экспериментальная оценка эффективности применения центраторов обсадной колонны при цементировании наклонных скважин. Булатовские чтения: материалы II Международной научно-практической конференции (2018 г.): в 5 т.: сборник статей / под общ. ред. д-ра техн. наук, проф. О.В. Савенок. – Краснодар, Издательский Дом – Юг, т. 3, c. 206–210. // Nagimov I.R., Fatihov R.I., Agzamov F.A. Eksperimental'naya ocenka effektivnosti primeneniya centratorov obsadnoi kolonny pri cementirovanii naklonnyh skvazhin [Experimental Evaluation of the Efficiency of Casing Centralizers in Cementing Deviated Wells]. Bulatovskie chtenija: materialy II Mezhdunarodnoj nauchno-prakticheskoj konferencii (2018 g.): v 5 t.: sbornik statej / pod obshh. red. d-ra tehn. nauk, prof. O.V. Savenok. [Bulatov's Readings: Proceedings of the II International Scientific and Practical Conference (2018): in 5 volumes: compilation of articles / under the general editorship of Doctor of Engineering Sciences, Professor O.V. Savenok] – Krasnodar, Publ. Izdatel'skij Dom – Jug, v. 3, pp. 206–210.
- Агзамов Ф.А., Шайбеков М.С., Садртдинов Р.Р., Николаев А.И. Установка для исследования процесса вытеснения последовательно текущих жидкостей при цементировании обсадных колонн. – Патент РФ № 2017117360; заявка 18.05.2017; опубл. 25.01.2018, бюлл. № 3. // Agzamov F.A., Shajbekov M.S., Sadrtdinov R.R., Nikolaev A.I. Ustanovka dlya issledovaniya processa vytesneniya posledovatel'no tekushhih zhidkostei pri cementirovanii obsadnyh kolonn [Installation for studying the process of displacement of sequentially flowing fluids during cementing of casing strings]. – Patent of RF No. 2017117360; zajavka 18.05.2017; publ. 25.01.2018, bull. No. 3.
- Базилевский А.В., Ентов В.М., Рожков А.Н., Лернер М.М. Распад нитей полимерных растворов. – Высокомолекулярные соединения, Серия А, 1997, т. № 39, № 3, с. 474–482. // Bazilevskii A.V., Entov V.M., Rozhkov A.N., Lerner M.M. Raspad nitei polimernyh rastvorov [Disintegration of threads of polymer solutions]. – Vysokomolekulyarnye soedineniya [High-molecular compounds], Serija A, 1997, v. No. 39, No. 3, pp. 474–482.
Supplementary files














