Study of the applicability of foam for steam conformance control to conditions of the Karazhanbas field
- Authors: Yessetzhanov A.A.1, Zhailybay A.K.1, Sayenko O.B.1, Sagyndikov M.S.1
-
Affiliations:
- Engineering LLP KazNIPImunaygas
- Issue: Vol 4, No 2 (2022)
- Pages: 57-69
- Section: Articles
- URL: https://vestnik-ngo.kz/2707-4226/article/view/108465
- DOI: https://doi.org/10.54859/kjogi108465
- ID: 108465
Cite item
Full Text
Abstract
Thermal enhanced oil recovery methods are a traditional approach in the primary and secondary development of heavy oil fields. Despite the effectiveness of such methods, there are breakthroughs of working fluid into production wells due to the presence of high permeability channels, resulting in a sharp increase in the watercut and an increase in the bottom hole temperature.
The article presents a literature review of the world experience in application of various steam conformance control methods. Based on the literature review, the applicability of foam systems at the Karazhanbas field was studied; core flood experiments were carried out to determine resistance factor and displacement efficiency. Obtained results confirm the formation of foam in reservoir conditions by increase in injection resistance during its filtration through core sample and visually at the outlet, the increase in displacement efficiency was 17,41%. The scientific novelty of the work lies in the study of the applicability of steam conformance control technology based on foam, which has not been previously studied and tested at any field in Kazakhstan.
Full Text
Введение
Большинство методов повышения нефтеизвлечения на месторождениях высоковязкой и тяжелой нефти нацелены на снижение её вязкости и повышение подвижности за счет нагнетания теплоносителей в пласт. Паротепловое воздействие (далее – ПТВ) является самым распространённым и одним из эффективных методов увеличения нефтеотдачи для таких месторождений [1]. Однако при реализации данной технологии существует ряд осложнений, приводящих к снижению эффективности процесса вытеснения. Одними из наиболее распространенных осложнений являются преждевременный прорыв рабочего агента в добывающие скважины и увеличение паронефтяного фактора. Такие негативные последствия появляются, в частности, по причине перемещения пара к верхней части коллектора из-за плотностного различия и наличия зон низких фильтрационных сопротивлений (далее – НФС). В целях недопущения или уменьшения вышеупомянутых эффектов ПТВ, для обеспечения равномерного движения пара по пласту издавна используются комбинации с пенообразующими композициями на основе поверхностно-активных веществ (далее – ПАВ) [2].
Комбинирование водяного пара с неконденсирующимися газами (углекислым газом, азотом) повышает эффективность вытеснения нефти из пласта, и для предотвращения преждевременных прорывов по зонам НФС в пар добавляют термостойкие ПАВ, в результате чего образуется так называемый пенный пар (steam foam), характеризующийся более высокой вязкостью, что способствует увеличению охвата пласта рабочим агентом, обеспечивает более равномерное вытеснение нефти и предотвращает преждевременные прорывы пара в добывающие скважины.
В данной работе представлен анализ мирового опыта применения технологии выравнивания профиля приемистости (далее – ВПП) паронагнетательных скважин (далее – ПНС) для условий высоковязкой и тяжелой нефти. Для оценки применимости технологии пенного пара в условиях м. Каражанбас выполнен сравнительный анализ основных характеристик данного месторождения и проектов-аналогов, подобран перспективный участок пилотного испытания и поставлен физический эксперимент на керновом материале с моделированием пластовых условий.
Литературный обзор технологии пенного пара
Оказавшись на вскрытой поверхности в песчаном пласте, ПАВ образует сильную пену в зоне, в которой нет нефти, таким образом ненасыщенная нефтью область эффективно создает сопротивление потоку и перенаправляет пар в области пласта с высокой нефтенасыщенностью, тем самым увеличивает охват пласта воздействием пара, что впоследствии увеличивает нефтеотдачу пласта. В таблице ниже приведены основные параметры различных месторождений и выделены значения, которые близки к условиям м. Каражанбас.
Таблица 1. Сводная информация по опыту закачки ПАВ на различных месторождениях мира [3]
Месторождение | Участок | Глубина, м | Эфф. толщина, м | Пористость, % | Проницаемость., Д | Плотность, г/см³ | Вязкость в пластовых условиях, мПа*с *103 | Сухость пара, % | Режим закачки | Концентрация ПАВ, % | Неконд. газ | Эфф-ть, т/кг ПАВ | Макс. темп. пара, °С |
Kern River | 200 | 135 | 25 | 0,6 | 0,98 | 6,4 | 70 | непр. | 0,83 | N2, потом прир, газ | 190 | ||
Green & Whittier | 18 | 31 | 1–5 | 0,98 | 1,78 | цикл. | |||||||
Mecca | 305 | 22,5 | 30 | 0,98 | 70 | непр. | 0,5 | N2 | 0,05 | 170 | |||
McManus | 135 | 24 | 23 | 2 | 0,99 | 80 | полунепр. | 1,2, 2,4, 5,0 | N2 | 0,06–0,13 | |||
Bishop | 185 | 16 | 30 | 0,98 | 50 | непр. | 1,5 | N2 | 0,03 | 150 | |||
North Kern Front | 480 | 18 | 33 | 2,21 | 0,98 | цикл. | 0,95 | 200 | |||||
San Ardo | Rosenberg 85A | 685 | 36 | 33 | 2,2 | 0,97 | 4,5–10 | непр. | N2 | ||||
Cat Canyon | 965 | 9 | 25 | непр. | 0,67 | N2 | |||||||
Winkleman Dome Nugget | 345 | 24 | 22,8 | 0,48 | 0,97 | 0,8–1,1 | 50 | непр. | 1–8 | СН4 | 0,17 | 240 | |
Midway-Sunset | 425 | 120 | 35 | 1 | цикл. | ||||||||
15A | 335 | 95 | 36,5 | 3,9 | 0,98 | 0,9 | 50 | цикл. | 0,1–0,5 | N2 | 1,34 | 240 | |
26C, 76AW | 365 | 79 | 29 | 1,4 | 0,97 | 1,5 | 58 | цикл. | 0,5 | N2 | 0,34 | 250 | |
590-21N | 305 | 122 | 28 | 2 | 0,99 | непр. | воздух | ||||||
26C, 68BW | 425 | 50 | 27 | 1–2 | полунепр. | 0,27 | N2 | 0,08 | 240 | ||||
26C, 52BW | 320 | 41 | 30 | 0,7–2 | 44–52 | спец. | 0,01–0,54 | N2 | |||||
Tia Juana | 305 | 24–51 | 38,1 | 0,99 | 2–6 | 85 | непр. | 0,25–2,0 | 215 | ||||
Guadalupe | 850 | 8,5 | 35 | 1,55 | 1,01 | 0,56 | 75 | непр. | 0,1–0,5 | N2 | 0,05 | 265 | |
Lagunillas | 0,97 | 0,5–1 | 50–70 | непр. | 0,5 | ||||||||
Bachaquero | 0,97 | 0,5–1 | 50 | непр. | 1 | 265 | |||||||
Dome Tumbador | 490 | 134 | 34 | 0,99 | 60 | непр. | 0,5 | N2 | 0,06 | 235 | |||
South Belridge | 175 | 30 | 35 | 1,5–3,5 | 0,98 | 1,6 | полунепр. | 0,5–1,0 | N2 | 0,36 | 220 | ||
Gregoire Lake | 180 | 41 | 30 | 2000 | 80 | полунепр. | 0,2 | N2 | 0,05–0,12 | 250 | |||
Levantine Moreni | 230 | 39 | 29 | 1 | 0,95 | 0,8 | 80 | цикл. | 1–2 | N2 | 225 | ||
South Casper Creek | 790 | 1,5–5,0 | 24 | 0,37–3,6 | 0,97 | 0,6 | непр. | 0,65 | N2 | 290 | |||
Cymric | 4-10W Section 26W | 305 | 13,5 | 39 | 0,5–2 | 0,98 | 2 | 82 потом 56 | непр. | 0,32 | 250 | ||
Shanjiasi | 1300 | 20–45 | 0,98 | 3–10 | непр. | ||||||||
Shengli | B6 Block | 1360 | 11–14 | 25 | 2,67 | смеш. | 336 | ||||||
D41 Block | 1320 | 2,4 | 320–560 | смеш. | 360 | ||||||||
Gudao Block | 1230 | 8–30,5 | 33,5 | 1,8 | 0,92 | 1,5–3,9 | 80–95+ | непр. | 310 | ||||
Henan | 75–245 | 9,1 | 30,4 | 2,2 | 0,94–0,97 | 11,3–21 | цикл. | ||||||
Liaohe | 550–2400 | 10–100 | 20–35 | 0,3–5,5 | 0,96–1,01 | 0,5–500 | цикл. | ||||||
Каражанбас | Восток, Север | 300–400 | 26–51 | 34 | 0,71–3,4 | 0,94 | 0,4–0,79 | 70–80 | 230–280 | ||||
Сопоставляя геолого-физические и технологические параметры разных проектов, становится видно, что испытание пенных систем проводилось в условиях залежей с самыми разными характеристиками. Глубина залегания изменяется с 135 (м. Kern River) до 1300 м (месторождения Китая), эффективная толщина изменяется в диапазоне от 5 до 135 м, наиболее массивные залежи отмечаются на м. Kern River [4] и Midway Sunset [5]. Пористость по всем месторождениям составляет в среднем 20–35%, проницаемость изменяется в широких пределах – от 370 до 3900 мД. Если плотность нефти в поверхностных условиях составляет в среднем около 0,98 г/см³, то вязкость варьируется в широких пределах, начиная от 500 мПа*с до нефтей, близких по свойствам к битумам, – 320 000–560 000 мПа*с (м. Shengli) и 2 000 000 мПа*с (м. Gregoire Lake) [6].
Процесс закачки пенного пара реализовывался в нескольких модификациях (режимах): непрерывной, циклической и смешанной. Все модификации имеют положительный опыт применения, при этом каждая имеет свои особенности. Например, непрерывный режим закачки позволяет достичь максимальных объёмов дополнительной добычи, циклический – сократить затраты на ПАВ. Так, на м. Gregoire Lake с целью сокращения расходов на ПАВ перешли с непрерывной закачки на циклическую. Объём добытой нефти на 1 кг ПАВ в проектах, где реализован вариант с непрерывной закачкой, составляет 0,02–0,17 т/кг, в проектах с циклической закачкой – 0,17–1,34 т/кг.
Сухость пара рассмотренных проектов – от 50% и выше, при этом заметного влияния степени сухости пара на технологическую эффективность не выявлено. Концентрация ПАВ, играющая решающую роль в процессе создания оторочки, в среднем варьировалась в пределах 0,5–2%. Степень влияния концентрации на технологическую эффективность отмечается при проекте опытно-промышленных испытаний (далее – ОПИ) на поднятии Tumbador, где снижение концентрации ПАВ с 0,51% до 0,24% негативно отразилось на уровнях добычи [7]. Также можно отметить, что в большей части проектов с пенным паром закачивался неконденсирующийся газ (преимущественно азот). При этом установлено, что для образования пены необходимо наличие не менее 1% жидкой фазы от общего объёма пара. Температура пенного пара по всем проектам составляла не выше 250°С в среднем. Расход пара изменялся в диапазоне 40–120 м³/сут эквивалента холодной воды.
Применимость технологии пенного пара для условий м. Каражанбас
Месторождение Каражанбас было открыто в 1974 г., находится на промышленном этапе разработки с применением термических методов с 1984 г. [8]. Месторождение условно разделено на 4 участка: центральный, западный, восточный и северный. Эксплуатационный фонд добывающих скважин составляет 2837 ед., фонд нагнетательных – 745 ед. Для поддержания пластового давления на центральном и западном участках закачивается горячая вода, а на восточном и северном участках – пар.
Рассмотрев геолого-физические и технологические характеристики различных месторождений мира (табл. 1), было выявлено, что по параметрам пористости и проницаемости условия м. Каражанбас совпадают с большей частью проектов. Плотность и вязкость нефти месторождения соответствуют нижнему пределу диапазона, а закачиваемый пар соответствует требованиям температуры и сухости.
Подбор потенциальных участков для проведения ОПИ
Как правило, общими основными критериями для подбора участков для проведения технологии выравнивания профиля приёмистости (далее – ВПП) являются вертикальная и площадная неоднородность пласта, неоднородный профиль приемистости по геофизическим исследованиям скважин (далее – ГИС), резкая динамика обводнения реагирующих добывающих скважин с характерным увеличением темпов обводнённости выше средних значений по объекту. Рассмотрев результаты промыслово-геофизических исследований скважин в районе зон ПТВ (уч. Восток), было отобрано 19 участков-элементов.
Таблица 2. Перечень потенциальных участков для ОПИ
Элемент/ Нагн. скв. | Объект | Горизонт | Дата ГИС | Приёмистость, т/сут | Перфорированная мощность, м |
К-1 | 3 | J1,D2 | 22 май 18 | 100 | 14,6 |
К-2 | 3 | J1,D2 | 14 апр 19 | 143 | 36,9 |
К-3 | 3 | D2 | 11 сен 15 | 238 | 22,2 |
К-4 | 3 | D2 | 24 май 18 | 171 | 19,9 |
К-5 | 3 | D2 | 24 сен 18 | 20 | 21,0 |
К-6 | 3 | J1,J2,D2 | 21 июн 15 | 131 | 45,0 |
К-7 | 3 | D2 | 12 сен 15 | 262 | 47,8 |
К-8 | 3 | J1,D2 | 1 апр 18 | 229 | 33,4 |
К-9 | 3 | J1,J2,D2 | 15 апр 19 | 114 | 24,8 |
К-10 | 3 | J1,D2 | – | 202 | 35,4 |
К-11 | 3 | J1,D2 | – | 34 | 26,2 |
К-12 | 3 | D2 | – | 233 | 22,3 |
К-13 | 3 | J1,D2 | – | 61 | 29,0 |
К-14 | 3 | D2 | – | 55 | 12,1 |
К-15 | 3 | J1,D2 | 5 май 19 | 63 | 19,7 |
К-16 | 1 | A1,V,B | 28 июл 16 | 112 | 16,4 |
К-17 | 1 | A1,V,B | 7 апр 18 | – | 13,0 |
К-18 | 2 | G | 3 июн 17 | 269 | 14,6 |
К-19 | 3 | J1,J2 | 16 июл 18 | 139 | 30,5 |
Выбор участка для ОПИ
Для ОПИ предлагаемой технологии был выбран участок на 3-м объекте в восточной части месторождения, включающий нагнетательные скв. К-4 и К-3, образующие 2 совмещённых элемента разработки. Пар закачивается с достаточно высокой приёмистостью 238 т/сут (скв. К-3) и 171 т/сут (скв. К-4). В реагирующей добывающей скв. К-3_1 (скв. 4827 на карте) с 2018 г. неоднократно регистрировались прорывы закачиваемого агента. Согласно картам изотерм (рис. 1) по состоянию на 1 января 2020 г., в скважинах, расположенных в одном ряду со скв. К-3_1, наблюдается высокая пластовая температура – порядка 90–100°С. В угловых скважинах по оба края участка также отмечается высокая температура на забое от 83°С до 94°С. Поскольку выявить источник прорыва не представляется возможным, предлагается закачать ПАВ в обе нагнетательные скважины, исключая таким образом влияние с двух сторон; влияние соседней с южной части скв. 7211 исключено ввиду низкой приёмистости (8 т/сут).
Рисунок 1. Карты текущих отборов и изотерм выбранного участка
Предоставленные промыслом материалы ГИС (рис. 2) показали в обеих нагнетательных скважинах неравномерный профиль приемистости. В скв. К-3 основная часть пара (73%) уходит в верхнюю часть интервала. Аналогичное распределение наблюдается в скв. К-4, верхняя часть интервала поглощает 62% закачиваемого пара, при этом самый нижний интервал не работает вообще, что ещё раз обосновывает выбор данного участка для проведения ОПИ технологии пенного ПАВ.
Рисунок 2. Планшеты ГИС определение профиля приёмистости/притока скв. К-3 и К-4
а) скв. К-3; б) скв. К-4
Рисунок 3. Динамика технологических показателей участка
Фильтрационные исследования керна
Образцы породы
Для проведения лабораторных испытаний химических композиций для условий м. Каражанбас из имеющейся коллекции выбраны 4 образца керна из скв. 7415. Данная скважина имеет схожие фильтрационно-емкостные свойства со скв. К-4, выбранной потенциальным кандидатом на ОПИ.
Образцы были предварительно подготовлены, проведены замеры пористости и проницаемости на калибровочном приборе UltraPoroPerm-500.
Таблица 3. Результаты стандартного комплекса исследований отобранных образцов
№ | Скв. | Гор. | Лаб. номер образца | Глубина отбора образца, м | Открытая пористость по гелию, д. ед. | Проницаемость для газа, ×10-³ мкм² | Объем пор, см³ |
1 | 7415 | Д-2 | 82 | 323,3 | 0,358 | 2060 | 19,875 |
2 | 7415 | Ю-1 | 172 | 357,47 | 0,375 | 2310 | 20,358 |
3 | 7415 | Ю-1 | 174 | 357,62 | 0,375 | 2010 | 21,043 |
4 | 7415 | Ю-1 | 179 | 358,21 | 0,375 | 2270 | 19,273 |
ПАВ
При проведении исследований был использован специальный ПАВ, предназначенный для повышения нефтедобычи, в виде готового раствора. Согласно техническому паспорту раствор химически стабилен при высоких температурах и характеризуется высокой устойчивостью фаз в присутствии растворов с различной минерализацией.
Таблица 4. Физико-химические свойства ПАВ
Параметр | Значение |
Активные вещества, весовой % | 19–20% |
Внешний вид | светло-коричневая жидкость |
Запах | от слабопахнущего до не имеющего запаха |
Растворимость в воде | легкорастворимые |
Температура застывания, °С | <-40 |
рН, 1% водного раствора при 20°С | 9,5–11,5 |
Вязкость при -40°С, сП | 500 |
Вязкость при 0°С, сП | 40 |
Вязкость при 25°С, сП | 18 |
Удельная плотность при 20°С | 1,103 |
Нефть и вода
Нефть м. Каражанбас относится к категории высокосмолистых и сернистых. Промысловая нефть с м. Каражанбас отбиралась специалистами филиала ТОО «КМГ Инжиниринг» «КазНИПИмунайгаз» согласно ГОСТ 2517-2012 «Нефть и Нефтепродукты. Методы отбора проб». По результатам исследований глубинных проб пластовой нефти из скв. 4872 на дату 08.09.2015 г. вязкость пластовой нефти горизонта Д2 + Ю1 варьируется в диапазоне от 770 до 790 мПа*с [9]. Динамическая вязкость и плотность отобранной для исследований пробы нефти составили при пластовой температуре в поверхностных условиях 860 мПа*с и 0,94 г/см³ соответственно. Для моделирования пластовых условий при проведении эксперимента по вытеснению нефти вязкость нефти довели до значения 770 мПа*с в пластовых условиях путем разбавления керосином. В качестве рабочего агента использовали пресную волжскую воду с температурой 150°С, при этом условии она находится в жидком фазовом состоянии. Для проведения эксперимента по определению фактора сопротивления использовалась модель пластовой воды с минерализацией 33,34 г/л (значения минерализации пластовой воды исследуемого участка варьируются в пределах 29,4–38,8 г/л) и динамической вязкостью 0,83 мПа*с. Ниже приведена таблица с химическим составом используемых для эксперимента вод и пластовой воды (для сравнения).
Подготовленные пробы воды и нефти были предварительно отфильтрованы для устранения механических примесей диаметром более 0,45 мкм в соответствии с техническими характеристиками применяемого оборудования.
Таблица 5. Химический состав используемых вод
Тип воды | Плотность при 20°С, г/см³ | рН | Содержание ионов, г/дм³ | Общая минерализация, г/дм³ | ||||||
НСО3- | СО32- | SO42- | Cl- | Ca2+ | Mg2+ | Na+ + K+ | ||||
Пластовая вода | 1,023–1,040 | 6,4–6,8 | 0,27–0,43 | не обн. | не обн. | 29,4–37,7 | 1,0–2,4 | 0,36–1,2 | 9,1–18,1 | 29,4–37,7 |
Модель пластовой воды | 1,023 | 6,5 | 0,47 | – | – | 20,3 | 1,5 | 0,6 | 10,47 | 33,34 |
Волжская вода | 0,998 | 7,5 | 0,12 | не обн. | 0,03 | 0,03 | 0,04 | 0,006 | 0,02 | 0,25 |
Процедуры
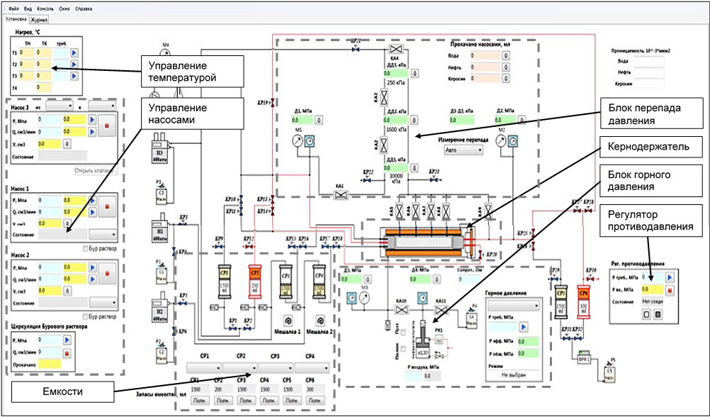
Фильтрационные исследования проводились с созданием термобарических условий м. Каражанбас на фильтрационной установке «ПИК-ОФП-FD» (рис. 4), предназначенной для исследований относительной проницаемости при фильтрации двухфазных потоков, определения коэффициента вытеснения нефти различными агентами в пластовых условиях, определения остаточной водонасыщенности.
Рисунок 4. Фото установки «ПИК-ОФП-FD»
Гидравлическая схема установки представлена на рис. 5.
Рисунок 5. Гидравлическая схема установки «ПИК-ОФП-FD»
Эксперименты проводились при следующих условиях: пластовая температура – 28°С, горное давление – 5,5 МПа, пластовое давление – 3,5 МПа. Образцы керна предварительно насыщались на автосатураторе «ПИК-СК». Общий расход пенного ПАВ составил 0,5 мл/мин, в т.ч. расход ПАВ – 0,35 мл/мин, расход азота – 0,15 мл/мин.
Результаты и обсуждения
Эксперимент по определению фактора сопротивления выполнен на образце с лабораторным № 82 в режиме постоянного расхода (изменяющихся перепадов давления). На первом этапе при проведении фильтрационных исследований через образцы керна прокачивалась модель пластовой воды при скорости 0,5 мл/мин, соответствующей притоку жидкости из пласта в скважину. После стабилизации перепада давления проводился замер начальной проницаемости породы по воде. Далее проводилась закачка пресной воды для имитации парозакачки, замерялась проницаемость. Далее проводилась закачка раствора ПАВ 0,5% при температуре 150°С совместно с азотом с последующей выдержкой образца в статике при пластовых условиях в течение 12 ч. Объем пенного пара составил 3 поровых объема с максимальным значением перепада давления 82 кПа. После этого вновь закачивалась пресная вода при скорости 0,5 мл/мин и замерялась проницаемость образца керна по воде после закачки ПАВ. После прокачки 1,5 поровых объема пенного ПАВ наблюдался выход пены из образца (рис. 6).
Рисунок 6. Выход пены из образца № 82
Полученные в ходе проведенных экспериментов результаты представлены в табл. 6 и на рис. 7.
Таблица 6. Результаты фильтрационных экспериментов по определению фактора сопротивления на образце № 82
Параметр | Ед. изм. | Образец № 82 | |
до закачки ПАВ | после закачки ПАВ | ||
Градиент давления закачки пресной воды | атм/м | 0,18 | 8,6 |
Проницаемость по пресной воде | мД | 85,96 | 1,76 |
Снижение проницаемости | % | 98,0 | |
Фактор начального сопротивления (ФНС) | 81,8 | ||
Фактор остаточного сопротивления (ФОС) | 49,2 | ||
Рисунок 7. График изменения перепада давления от объема закачки рабочего агента
Как видно из табл. 6 и рис. 7, пенный ПАВ, исследуемый на керновом материале м. Каражанбас, при пластовых условиях создает высокий фактор остаточного сопротивления и существенно снижает проницаемость керна по пресной воде (на 98,0%). По результатам фильтрационных исследований была оценена кажущаяся вязкость пенного пара. Фактор сопротивления равен k/µ при закачке пенной системы, а фактор остаточного сопротивления равен k/µ при закачке пара после обработки пенной системой. Фактор остаточного сопротивления (далее – ФОС) учитывает снижение проницаемости при одинаковой вязкости рабочего агента, а фактор сопротивления (далее – ФС) дополнительно учитывает увеличение вязкости пенной системы при фильтрации, поэтому кажущаяся вязкость равна соотношению ФС/ФОС, после расчетов была получена вязкость пенной системы в 1,66 сП.
Комплексное исследование по определению коэффициента вытеснения нефти горячей водой (150°C) с применением закачки азота и ПАВ 0,5% выполнено на составном образце керна, состоящем из образцов № 172, 174 и 179 скв. 7415 м. Каражанбас, в режиме постоянного расхода при изменяющихся перепадах давления. В начале эксперимента через образцы керна прокачивалась вода (модель пластовой воды, 28°С) при скорости 0,5 мл/мин, соответствующей притоку жидкости из пласта в скважину, до стабилизации перепада давления для определения исходной проницаемости породы по воде. После этого была закачана пластовая нефть для создания модели пласта с остаточной водонасыщенностью и замерена проницаемость по нефти. Далее нефть вытеснялась горячей волжской водой с температурой 150°С. По мере прокачки каждого порового объема проводился контроль объема вышедших воды и нефти из составного образца, исходя из которых на каждом отрезке времени рассчитали дебиты и произвели расчет обводненности. После прокачки 6 поровых объемов горячей воды был определен коэффициент вытеснения нефти водой. Затем закачан раствор ПАВ 0,5% при температуре 150°С совместно с азотом при скорости 0,5 мл/мин. Составной образец керна был выдержан в статике при пластовых условиях в течение 12 ч, после чего закачивалась горячая волжская вода (150°С) при скорости 0,5 мл/мин. Оценка дополнительно вытесненной нефти была определена после прокачки 4,5 поровых объема горячей воды. Визуальное наблюдение выхода пены из образца представлено на рис. 8.
Рисунок 8. Выход пены из составного образца № 172, 174, 179
Результаты эксперимента представлены в табл. 7 и на рис. 9.
Таблица 7. Результаты фильтрационных экспериментов по определению коэффициента вытеснения нефти на составных образцах № 172, 174, 179
Параметр | Ед. изм. | Составные образцы № 172,174,179 | |
до закачки ПАВ | после закачки ПАВ | ||
Прокачка пресной горячей воды (Т=150°С) до ПАВ | поровый объем (PV) | 6 | |
Прокачка ПАВ+Азот | поровый объем (PV) | 3,5 | |
Прокачка пресной горячей воды (Т=150°С) после ПАВ | поровый объем (PV) | 4,5 | |
Обводнённость | % | 100 | 98,19 |
Проницаемость по горячей воде (Т=150°С) | мД | 1,95 | |
Коэффициент вытеснения нефти горячей водой до пенной системы | д. ед. | 0,62 | |
Коэффициент вытеснения нефти горячей водой после пенной системы | д. ед. | 0,728 | |
Прирост коэффициента вытеснения | % | 17,41 | |
Рисунок 9. Процесс вытеснения нефти с использованием пенного ПАВ на составном образце (№ 172,174,179)
Из полученного графика (рис. 9) видно, что после закачки ПАВ происходит увеличение коэффициента вытеснения (с 0,62 до 0,73) и снижение обводнённости (со 100% до 98,19%).
Выводы
Полученные результаты лабораторных исследований подтвердили образование пены в пластовых условиях ростом сопротивления закачки при её фильтрации через образец керна и визуальными наблюдениями. Применение пенной системы обеспечило увеличение коэффициента вытеснения нефти из составного образца керна м. Каражанбас на 17,41%.
Подводя итоги по сопоставлению характеристик различных месторождений мира, где были успешно применены технологии пенных систем, с условиями м. Каражанбас и обобщению результатов, полученных в ходе фильтрационных экспериментов и проведенных в условиях, максимально приближенных к технологическим и пластовым условиям м. Каражанбас, можно сделать вывод о высоком потенциале ВПП на основе пенных систем. Ожидаемым результатом промышленного внедрения технологии будет блокировка путей нежелательного ухода пара, вследствие чего увеличится охват пласта воздействием пара и повысится нефтеотдача.
About the authors
Askhat A. Yessetzhanov
Engineering LLP KazNIPImunaygas
Email: yessetzhanov_a@kaznipi.kz
старший инженер лаборатории стандартного анализа керна
Kazakhstan, AktauAmandyk K. Zhailybay
Engineering LLP KazNIPImunaygas
Email: zhailybay_a@kaznipi.kz
старший инженер службы повышения нефтеотдачи пластов
Kazakhstan, AktauOlga B. Sayenko
Engineering LLP KazNIPImunaygas
Email: sayenko_o@kaznipi.kz
директор департамента лабораторных исследований
Kazakhstan, AktauMarat S. Sagyndikov
Engineering LLP KazNIPImunaygas
Author for correspondence.
Email: sagyndikov_m@kaznipi.kz
руководитель службы повышения нефтеотдачи пластов
Kazakhstan, AktauReferences
- Green D.W., Willhite G.P. Enhanced Oil Recovery. – SPE Textbook Series, v. 6, Richardson, Texas, 1998.
- Hirasaki G.J. The Steam-Foam Process. – Journal of Petroleum Technology, 1989, 41 (5): 449-456. SPE-19505-PA.
- Мухамбетов Б.Т., Сагындиков М.С., Кали М.Е., Абишев А.Е. и др. Отчет КазНИПИмунайгаз «Инженерно-техническое сопровождение технологии выравнивания профиля приёмистости в паронагнетательных скважинах на месторождении Каражанбас». – Актау, 2020. // Muhambetov B.T., Sagyndikov M.S., Kali M.E., Abishev A.E. and others. Otchet KazNIPImunajgaz «Inzhenerno-tehnicheskoe soprovozhdenie tehnologii vyravnivanija profilja prijomistosti v paronagnetatel'nyh skvazhinah na mestorozhdenii Karazhanbas» [Report of KazNIPImunaigas on "Engineering and technical support for the technology of leveling the injectivity profile in steam injection wells at the Karazhanbas field”]. – Aktau, 2020.
- Patzek T.W., Koinis M.T. Kern River Steam-Foam Pilots. – Journal of Petroleum Technology, 1990, 42 (04), р. 496-503. SPE-17380-PA. DOI: https://doi.org/10.2118/17380-PA.
- Ploeg J.F., Duerksen J.H. Two Successful Steam/Foam Field Tests, Sections 15A and 26C, Midway-Sunset Field. – SPE-13609-MS, 1985. DOI: https://doi.org/10.2118/13609-MS1985.
- Delamaide E., Cuenca A., Chabert M. State of the Art Review of the Steam Foam Process. – SPE-181160-MS, 2016. DOI:https://doi.org/10.2118/181160-MS
- Mohammadi S.S., Tenzer J.R. Steam-Foam Pilot Project at Dome-Tumbador, Midway Sunset Field: Part 2. – SPE-20201-MS, 1990. DOI: https://doi.org/10.2118/20201-MS.
- Сургучёв М.Л., Гарушев А.Р., Боксерман А.А., Иванов В.А. и др. Технологическая схема разработки месторождения Каражанбас с применением термических методов. – Краснодар, РосНИПИтермнефть, 1984. // Surguchjov M.L., Garushev A.R., Bokserman A.A., Ivanov V.A. and others. Tehnologicheskaja shema razrabotki mestorozhdenija Karazhanbas s primeneniem termicheskih metodov [Technological scheme for the development of the Karazhanbas field using thermal methods]. – Krasnodar, RosNIPItermneft', 1984.
- Гимадиева О.М., Курбанбаева А.М., Нугманов Б.Х. и др. Отчет КазНИПИмунайгаз «Анализ разработки месторождения Каражанбас» – Актау, 2020. // Gimadieva O.M., Kurbanbaeva A.M., Nugmanov B.H. and others. Otchet KazNIPImunajgaz «Analiz razrabotki mestorozhdenija Karazhanbas» ["Report of KazNIPImunaigas on "Analysis of the development of the Karazhanbas field”] – Aktau, 2020.
Supplementary files












