Study of the effectiveness of using a fine wastewater treatment plant at petrochemical production enterprises
- Authors: Chalov T.K.1, Khakimbolatova K.K.1, Kovrigina T.V.1, Bektemissova A.U.2
-
Affiliations:
- A.B. Bekhturov Institute of Chemical Sciences
- al-Farabi Kazakh National University
- Issue: Vol 5, No 4 (2023)
- Pages: 74-82
- Section: Petrochemistry and Oil Refining
- URL: https://vestnik-ngo.kz/2707-4226/article/view/108675
- DOI: https://doi.org/10.54859/kjogi108675
- ID: 108675
Cite item
Full Text
Abstract
The problem of treatment and neutralization of wastewater from chemical, petrochemical and oil refining industries is associated with the removing from them of suspended solid and plastic particles of pollution of various chemical natures, oil and petroleum products, heavy metals, surfactants, acids, alkalis, phenols and other harmful substances. To effectively treat water, various filters are used, which differ in parameters and characteristics. The purpose of this work is to determine the possibility of replacing cartridge filters used at PetroKazakhstan Oil Products LLP with easily regenerable bag filters. In the course of the research, it was found that the use of cartridge and bag filters contributes to more effective water treatment, in particular, from suspended sub- stances. When comparing them, we can say that the latter is advantageous in that it does not need to be changed when clogged, like a cartridge filter, but simply rinsed and used again in the technological chain. The bag element is quite simply washed in water, but if it is heavily clogged, it can be washed either in a solution of citric acid (20 g/l) or in an alkali solution (10 g/l).
Full Text
Введение
Защита окружающей природной среды от загрязнения сточными водами различными промышленными предприятиями заключается в создании так называемых безотходных и малоотходных технологических процессов, при которых вредные вещества, загрязняющие техническую воду, отсутствуют или незначительны. Те вредные вещества, которые пока ещё не могут быть устранены и удаляются из производства вместе со сточными водами, должны быть подвергнуты такой обработке, после которой они не будут оказывать вредного воздействия на природу. Так, известно [1], что наиболее распространенными загрязняющими веществами водных объектов является нефть и продукты её переработки, которые, поступая в водные объекты, создают различные формы загрязнения: плавающую на воде нефтяную пленку, растворённые или эмульгированные в воде нефтепродукты, осевшие на дно тяжелые фракции, продукты, адсорбированные грунтом дна или берегом водоема.
Поскольку в настоящее время полностью избежать загрязнения технических (пресных) вод в производстве по техническим и экономическим причинам невозможно, они должны быть очищены перед поступлением в наружную канализационную сеть, поверхностные водоёмы, на рельеф местности или снова в технологические процессы. Очищенная вода используется для промывки оборудования, охлаждения агрегатов, разбавления сточных промышленных вод и т.п. [2].
Для очистки промышленных сточных вод используются различные системы фильтрации, обычно состоящие из ряда последовательных этапов, каждый из которых отвечает за удаление преимущественно одной группы загрязнений. На деле не существует законченной системы фильтрации, в которой используется один метод или один процесс очищения воды, который гарантированно обеспечит полную очистку воды до требуемых норм [3].
Воду после очистки подразделяют на следующие группы [4]:
- питьевая вода;
- глубоко деминерализованная вода;
- техническая вода.
Наиболее высокие требования предъявляют к качеству водопроводной воды. Выбор конкретного пакета этапов очистки воды существует только для фильтров бытовой доочистки водопроводной воды. Для частных домов и промышленных предприятий выбор систем водоподготовки производится проектным способом и зависит от ряда факторов – от анализа исходной воды до характеристик конечной воды, с учётом места, бюджета, габаритов и т.д.
Известно [5], что нефтехимические предприятия являются наиболее крупными потребителями воды, которая используется в самых различных целях (приготовление различных растворов, использование для технологических процессов и в качестве теплоносителя, обеспечение бытовых нужд и т.д.).
Для качественной очистки и обезвреживания производственных сточных вод от нефти, нефтепродуктов, взвешенных твёрдых и пластичных частиц и других загрязняющих примесей разрабатываются и внедряются более совершенные фильтры, устройства и установки. Основными методами очистки являются физические, химические, физико-химические и биологические [6, 7]. Все они применяются в т.ч. на предприятиях нефтехимического производства, но у каждого существует своя схема, учитывающая особенности данного производства [8, 9].
Блок тонкой очистки в основном используется в качестве первой ступени очистки, он очищает воду от примесей, органики и окалины.
Фильтры тонкой очистки – это в основном полипропиленовые картриджи с более мелкими ячейками, чем картриджи грубой очистки (порог фильтрации для блока грубой очистки составляет 130 мкм, а для тонкой очистки – 5 мкм).
Задача тонкой очистки – улавливать все мельчайшие частицы ещё до того, как вода пойдёт на следующую ступень очистки.
В блок тонкой очистки входит картриджный либо мешочный фильтр.
Целью данной работы является определение возможности замены картриджных фильтров, используемых на ТОО «ПетроКазахстан Ойл Продактс» (далее – ПКОП), на легко регенерируемые мешочные фильтры.
Основная часть
В ходе проведения работы нами был разработан испытательный стенд с несколькими ступенями механической очистки воды. Данный стенд имитировал блок предварительной очистки. В испытательном стенде были заложены две нитки, в состав которых входили дисковые, картриджные и мешочные фильтры с разными порогами фильтрации частиц.
Описание используемых фильтров следующее:
- Фильтр мешочный. Предназначен для более полного удаления механических примесей из исходной воды. Перед фильтром и после него имеются точки подключения манометров, предназначенных для контроля работы. Фильтрация воды осуществляется мешочным элементом, при засорении которого возможна его регенерация (промывка / стирка).
- Технические характеристики. Резьбовая система сборки; фильтрующий элемент – мешочный элемент; соединение - резьба-2"; рабочее давление – не более 10,0 кг/см²; температура воды 5–75°С; производительность – 0,01–2 м³/ч. Порог отсева – 5 мкм. Элемент мешочный – материал РР (полипропилен), рабочая температура – до 100°С.
В проведённой работе были использованы мешочные фильтры, основными преимуществами которых являются:
- простота в эксплуатации;
- низкое сопротивление (хорошо работают под гидростатическим давлением);
- простота регенерации (легко стираются);
- возможность отжима осадка.
Мешочные фильтры могут функционировать в широком спектре природно-климатических условий и обеспечивать надёжную и качественную очистку воды от механических загрязнителей различных видов и размеров до любого заданного уровня по качеству воды.
- Картриджные фильтры предназначены для удаления нерастворённых в воде веществ. Основной частью картриджного фильтра является элемент, на котором производится микрофильтрационное отделение нерастворенных веществ. Уровень фильтрации зависит от используемого элемента. Все частицы, размер которых превышает размер микропор картриджа, удаляются из входного потока. При засорении картриджного элемента возможна только его замена.
Данный фильтр используется как для окончательной, так и предварительной очистки воды. Фильтр улавливает мельчайшие частицы и работает при температуре не выше 40°С. Входящее давление – не более 5 бар. Фильтр такого типа чаще всего применяется как входной магистральный фильтр. В данном случае был закуплен картриджный фильтр с механической очисткой производительностью 0,01–2 м³/ч.
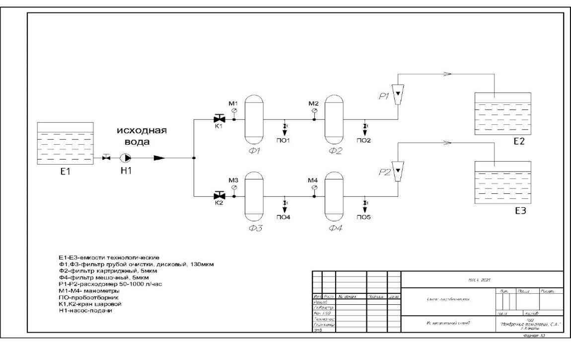
Разработанная технологическая схема пилотной установи представлена на рис. 1.
Рисунок 1. Технологическая схема очистки воды для ПКОП
Figure 1. Process flow diagram of water treatment for PKOP
Описание разработанной технологической схемы следующее: исходная вода из технологической ёмкости Е1 насосом подачи Н1 подается в две нити технологической схемы, первая из которых состоит из дискового фильтра грубой очистки (порог фильтрации 130 мкм) и картриджного фильтра тонкой очистки (порог фильтрации 5 мкм), вторая нить – из дискового фильтра грубой очистки (порог фильтрации 130 мкм) и мешочного фильтра тонкой очистки (порог фильтрации 5 мкм). Для регулировки и контроля параметров расхода на данных нитях установлены краны и ротаметры. Так, для контроля давления установлены манометры. Сброс фильтрата производится отдельными точками в технологические ёмкости Е2 и Е3.
Общий вид пилотной установки представлен на рис. 2–3.
Рисунок 2. Общий вид установки в 3D
Figure 2. General view of the plant in 3D
Рисунок 3. Общий вид установки в 3D
Figure 3. General view of the plant in 3D
Результаты лабораторных исследований по определению мутности и содержанию взвешенных частиц показали, что в пробах очищенной воды эти показатели равны нулю, т.е. полностью отсутствуют. Также из полученных анализов видно следующее:
- Полностью исчезает показатель мутности после картриджного и мешочного фильтров.
- Резко снижается концентрация железа с 6,6 до 0,02 мг/л в случае применения картриджного фильтра и до 0,09 мг/л при применении мешочного фильтра. рН исходной воды более 8,0. По этому показателю можно предположить, что в данном случае железо находится в трёхвалентной окисленной форме, выпавшей в осадок в виде тонкодисперсной взвеси, и поэтому хорошо поддается фильтрации на тонких фильтрах (до 5 мкм). В случае применения обоих фильтров полностью исчезает аммонийный азот.
- В обоих случаях незначительно понижается концентрация кремния и натрия. Понижение концентрации кремния, по-видимому, связано с тем, что он находится в воде в основном в коллоидном состоянии и при фильтрации частично связывается с тонкодисперсными частицами, определяющими мутность раствора. В то же время нарушается кислотно-щелочное равновесие, что приводит к понижению рН раствора.
- В пробах очищенной воды полностью исчезает содержание взвешенных веществ (их содержание в пробах исходной воды составляет 122,0 мг/л).
Таким образом, из результатов анализа проб воды следует, что применение картриджного и мешочного фильтров способствует более эффективной очистке воды, в частности, от взвешенных веществ. Сравнение картриджного и мешочного фильтров показало, что последний выгоден тем, что его не нужно менять при забивке, а просто достаточно промыть и вновь использовать в технологической цепочке.
Мешочный элемент достаточно просто промывается в воде, но при сильном загрязнении его можно промывать либо в растворе лимонной кислоты (20 г/л), либо в растворе щелочи (10 г/л).
В ходе проведения испытаний выявлено, что фильтрующие свойства мешочного фильтра не меняются при корректной отмывке, что подтверждается экспериментально для каждого конкретного случая.
Срок работы фильтра определяется составом исходной воды (или количеством тонкой взвеси). Фильтр может работать без промывки от двух недель до нескольких месяцев.
На рис. 4 приведены фотографии ротаметров, на которых видно, что при использовании картриджного фильтра производительность упала с 700 до 500 л/ч, а при мешочном – с 700 до 400 л/ч (испытания проводили в течение 3 мес.). Снижение производительности говорит о том, что фильтры забиваются и требуют замены. Картриджный элемент заменяется на новый, а мешочный элемент стирается и устанавливается вновь.
Рисунок 4. Снижение производительности пилотной установки с применением картриджных и мешочных фильтров
Figure 4. Reduction of the productivity of a pilot plant using cartridge and bag filters
Проведенные нами испытания показали, что после регенерации мешочного фильтра не происходило снижения производительности, т.е. после проведенных нами пяти циклов загрязнения не проходили сквозь мешочный фильтр. Пятикратное использование мешочного фильтра не привело к ухудшению его характеристик.
На рис. 5 представлено фото мешочного фильтра после длительных испытаний.
Рисунок 5. Мешочный фильтр после длительных испытаний
Figure 5. Bag filter after extensive testing
При проведении длительных испытаний было использовано пять картриджных фильтров, которые не подлежали дальнейшему применению (рис. 6). Фильтрующие мешки изготавливаются из полипропилена (на холодную воду) и полиэстера (на холодную и горячую воду) и могут быть использованы многократно. При регенерации мешочного фильтра его производительность снижается не более чем на 5%.
Рисунок 6. Картриджный фильтр после длительных испытаний
Figure 6. Cartridge filter after extensive testing
Таким образом, результаты анализов проб воды, привезенной с ПКОП, показали эффективность многоступенчатой системы тонкой фильтрации (пороги фильтрации 5–130 мкм) с применением дисковых, картриджных и мешочных фильтров. Фильтрация с рейтингом 130 мкм на дисковых фильтрах не вызывает трудностей при эксплуатации, т.к. есть возможность промыть пакет дисков при накоплении в нем взвешенных частиц. При эксплуатации картриджного элемента возникает потребность его замены, а мешочный фильтр имеет возможность регенерации путём стирки-отмывки.
Заключение
Как в различных отраслях промышленности, так и в повседневной жизни человек может заботиться об экологии по нескольким направлениям. Это разумное потребление природных ресурсов, ответственная утилизация отходов различных производств, а также выбор eco-friendly товаров. Так, активные методы устраняют источник негативного воздействия, но прежде чем свести к минимуму образование вредных отходов, необходимо оценить их уровень, концентрацию, объём.
Разработанная нами технология полностью соответствуют принципам «зелёной химии», а также позволяет сократить себестоимость выпускаемой продукции и затраты на технологические нужды.
ДОПОЛНИТЕЛЬНО
Источник финансирования. Данное исследование было выполнено в Институте химических наук им. А.Б. Бектурова по программе BR18574042 целевого финансирования научных исследований, осуществляемого Комитетом науки Министерства науки и высшего образования Республики Казахстан.
Конфликт интересов. Авторы декларируют отсутствие явных и потенциальных конфликтов интересов, связанных с публикацией настоящей статьи.
Вклад авторов. Все авторы подтверждают соответствие своего авторства международным критериям ICMJE (все авторы внесли существенный вклад в разработку концепции, проведение исследования и подготовку статьи, прочли и одобрили финальную версию перед публикацией). Наибольший вклад распределён следующим образом: Чалов Т.К. – обработка экспериментальных данных, Хакимболатова К.Х. – сбор, анализ, проведение исследования, написание рукописи, Ковригина Т.В. – интерпретация данных исследования, анализ и проверка результатов, написание рукописи, Бектемисова А.У. – проведение исследования, проверка результатов, редактирование рукописи.
ADDITIONAL INFORMATION
Funding source. This study was carried out at the Institute of Chemical Sciences named after A.B. Bekturov under the BR18574042 program for targeted funding of scientific research carried out by the Science Committee of the Ministry of Science and Higher Education of the Republic of Kazakhstan.
Competing interests. The authors declare that they have no competing interests.
Authors’ contribution. All authors made a substantial contribution to the conception of the work, acquisition, analysis, interpretation of data for the work, drafting and revising the work, final approval of the version to be published and agree to be accountable for all aspects of the work. The greatest contribution is distributed as follows: Tulegen K. Chalov – processing of experimental data; Kamilla Kh. Khakimbolatova – collection, analysis, research, manuscript writing, Tatyana V. Kovrigina interpretation of study data, analysis and verification of results, writing of the manuscript; Aynash U. Bektemissova – conducting the study, checking the results, editing the manuscript.
About the authors
Tulegen K. Chalov
A.B. Bekhturov Institute of Chemical Sciences
Email: chalov.45@mail.ru
Sc. (Chemistry), professor
Kazakhstan, AlmatyKamila Kh. Khakimbolatova
A.B. Bekhturov Institute of Chemical Sciences
Email: kovriginatat@mail.ru
Cand. Sc. (Chemistry), professor (associate)
Kazakhstan, AlmatyTatyana V. Kovrigina
A.B. Bekhturov Institute of Chemical Sciences
Author for correspondence.
Email: kovriginatat@mail.ru
Cand. Sc. (Chemistry), professor (associate)
Kazakhstan, AlmatyAynash U. Bektemissova
al-Farabi Kazakh National University
Email: abektemisova@mail.ru
Cand. Sc. (Chemistry), professor (associate)
Kazakhstan, AlmatyReferences
- Burenin VV. Zashchita ot zagryazneniya neftesoderzhashchimi stochnymi vodami neftepererabatyvayushchikh i neftekhimicheskikh predpriyatiy. Neftegaz.RU. 2013;26:21–25. (In Russ).
- Evseeva O, Shymchenko A, Miller A, Davidenko L. Technological challenges in the economy of the oil and gas sector. E3S Web of Conferences; Aug 25, 2023. Available from: https://www.e3s-conferences.org/articles/e3sconf/abs/2023/56/e3sconf_wfces2023_01020/e3sconf_wfces2023_01020.html. doi: 10.1051/e3sconf/202341901020.
- Zolotov AV. Review of methods and devices for purification of oily waste water. Oil Processing and Petrochemistry. 2015;9:42–47. (In Russ).
- Zolotov AV. Substantiation of a method of floatation for afterpurification of petrocontaining sewage. Oil Processing and Petrochemistry. 2014;6:42–46. (In Russ).
- Laptedul'che NK, Dremicheva ES. Vodopol'zovaniye na predpriyatiyakh po dobyche i pererabotke nefti: uchebnoe posobiye. Kazan': Kazan State Energy University; 2017. 105 p. (In Russ).
- Korshunova TY, Loginov ON. Oil pollution of water environment: features, influence on various objects hydrosphere, main methods for cleaning. Ecobiotech. 2019;2(2):157–174. doi: 10.31163/2618-964X-2019-2-2-157-174. (In Russ).
- Burenin VV. Novel filters, units and devices for treatment of industrial wastewaters. Chemical and Petroleum Engineering. 2018;1:45–48. (In Russ).
- Vasina MV. Povysheniye effektivnosti mekhanicheskoy ochistki stochnykh vod ochistnykh sooruzheniy neftepererabatyvayushchego predpriyatiya. Young Scientist. 2016;12(116):555–559. (In Russ).
Supplementary files









