Integration of Thermo-, Hydrodynamic, and Kinetic Factors in the Mathematical Modeling of the Catalytic Reforming Process
- Authors: Seitenova G.Z.1, Dyussova R.M.2, Zhamanova E.A.3, Sergeevs Y.2, Barashkova M.4
-
Affiliations:
- Association of Producers and Consumers of Petrogaschemical Products (Petrogaschemical Association)
- Toraighyrov University
- Eurasian National University
- Atyrau University of Oil and Gas
- Issue: Vol 6, No 4 (2024)
- Pages: 112-121
- Section: Нефтехимия и переработка
- URL: https://vestnik-ngo.kz/2707-4226/article/view/108790
- DOI: https://doi.org/10.54859/kjogi108790
- ID: 108790
Cite item
Full Text
Abstract
Background: The integration of various factors affecting processes in oil refining is crucial for enhancing both the efficiency and sustainability of the industry. In a changing market and increasingly stringent environmental regulations, it is essential to continuously update approaches, develop innovative solutions, and optimize production processes to achieve the best possible outcomes.
Aim: The study aims to integrate thermodynamic, kinetic and hydrodynamic aspects into a unified model, and to validate the outcome based on experimental data and real-world operating conditions to ensure the accuracy and reliability of model predictions.
Materials and methods: The primary research methods include statistical data analysis, process modeling, and experimental studies at various stages of the production cycle.
Results: The study identified the key parameters that significantly impact the quality of the final product and production efficiency. Furthermore, it offers recommendations for optimizing production processes based on the data obtained.
Conclusion: The study concludes that integrating various factors can significantly enhance production performance and reduce refining costs. The study emphasizes the importance of an integrated approach to the management of production processes in the oil refining industry, which can facilitate the further development of the industry. The model created can be utilized for training personnel in process simulation. With its user-friendly interface, it requires no extensive programming knowledge, making it well-suited for the initial training of specialists.
Full Text
Введение
Производство нефтепродуктов остаётся актуальным в мире, несмотря на сдвиг к использованию альтернативных, экологически чистых источников энергии. Для устойчивого развития страны необходимо принимать меры для оптимизации существующих предприятий, производящих нефтепродукты (предиктивность, энергосбережение, ресурсоэффективность, декарбонизация, эффективная эксплуатация и варианты чистой ликвидации).
В Казахстане три крупных нефтеперерабатывающих предприятия. Согласно годовому отчету АО НК «КазМунайГаз» за 2022 г. нефтеперерабатывающие (далее – НПЗ) и нефтехиимические (далее – НХЗ) заводы Казахстана имеют следующие индексы Нельсона: Атырауский НПЗ – 13,9, Павлодарский НХЗ – 10,5, Шымкентский НПЗ – 8,2. Современные НПЗ США и Европы имеют индекс Нельсона свыше 15, при этом в рыночных условиях смогут выжить НПЗ с индексом Нельсона не ниже 10 [1].
Для повышения мощности и глубины переработки эффективно используется метод математического моделирования. Этот подход помогает решать задачи рационального использования углеводородных ресурсов, прогнозирования состава продуктов и планирования, а также оптимизации работы действующих нефтеперерабатывающих установок с целью увеличения ресурсоэффективности и энергосбережения. Применение математических моделей в нефтехимической промышленности предоставляет возможность не только разрабатывать, но и оптимизировать технологические режимы эксплуатации как для нового, так и для действующего оборудования. Это позволяет гибко адаптировать установки к изменяющемуся составу сырья, обеспечивая стабильность производственных процессов и повышение их эффективности.
Современные модели процесса каталитического риформинга объединяют несколько подходов для более точного описания. Кинетические модели позволяют предсказывать изменение состава продукта на основе реакционных механизмов, но для достижения полной картины процесса их необходимо сочетать с гидродинамическими и термодинамическими моделями. Например, для реакторов с неподвижным слоем катализатора важно учитывать распределение температуры и давления, что делает интеграцию гидродинамики и теплопередачи в модель крайне важной.
Каталитический риформинг – это процесс с высокой экзотермичностью реакций, что требует точного контроля над температурным режимом реактора. Неравномерное распределение температуры может привести к снижению активности катализатора, деградации продукта или даже повреждению оборудования.
Целью нашего исследования является объединение термодинамических, кинетических и гидродинамических аспектов в единую модель, а также её валидация на основе экспериментальных данных и реальных условий эксплуатации, чтобы обеспечить точность и надёжность предсказаний модели.
При создании математической модели каталитического риформинга критически учитывались термодинамические параметры (температура, давление, состав исходных реагентов), кинетические параметры (коэффициенты скорости реакций, механизмы реакций и энергия активации) и гидродинамические параметры (скорость потока, распределение скорости и поведение потока). Также учитывались катализаторные параметры (тип, состав и активная поверхность катализатора), параметры реактора (тип, размер и форма) и теплообмен. Все эти факторы влияют на точность модели и эффективность предсказаний для оптимизации процесса.
Материалы и методы исследования
Объект исследования – установка каталитического риформинга, производительность которой составляет 1000 тыс. т/г.
Каталитический риформинг представляет собой сложный химический процесс, включающий в себя множество реакций, благодаря которым существенно изменяется углеводородный состав бензиновых фракций. Основная цель процесса – ароматизация бензинов. Достигается она путём дегидрогенизации шестичленных нафтенов и дегидроциклизации парафинов:
- дегидрогенизация шестичленньх нафтенов (1);
- дегидрогенизация пятичленных нафтенов (2);
- дегидроциклизация парафинов (3);
- гидрокрекинг парафинов (4).
(1)
(2)
(3)
(4)
Помимо этого, процесс включает реакции изомеризации, крекинга и гидроочистки, которые также влияют на состав и качество продуктов. В результате всего комплекса реакций увеличивается выход ароматических углеводородов (далее – УВ), таких как бензол, толуол и ксилол. Поскольку основные реакции риформинга требуют тепла, важным аспектом процесса является поддержание высокой температуры для обеспечения стабильности и эффективности каталитических преобразований.
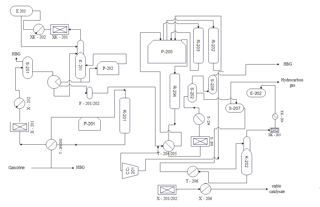
Параметры работы установки каталитического риформинга представлены на рис. 1. Тяжёлая бензиновая фракция, используемая в качестве сырья, поступает из кубовой части сплиттера нафты секции на вход сырьевых насосов блока риформинга, а затем направляется на смешение с водородсодержащим газом (рис. 2).
Рисунок 1. Параметры работы установки каталитического крекинга
Figure 1. Operating parameters of the catalytic cracking unit
ВСГ / HBG – водородсодержащий газ/ hydrogen-bearing gas; RG-682 A1.6 – катализатор риформинга / reforming catalyst
Рисунок 2. Установка каталитического риформинга
Figure 2. Catalytic Reforming Unit
R – реактор / reactor; P – печь / furnace; S – сепаратор / separator; T – теплообменник / heat exchanger; F – фильтр / filter; CC – компрессор циркцляционного газа / cycled gas compressor; K – стабилизационная колонна / stabilizer; E – ёмкость орошения / reflux drum; XK – холодильник-конденсатор / condenser cooler; X – холодильник / cooler; HBG – водородсодержащий газ / hydrogen-bearing gas.
Математическое моделирование процесса каталитического риформинга
На первом этапе были использованы результаты экспериментальных исследований, зафиксированные методом газовой хроматографии [2–5]. Данные по технологическому режиму установки были взяты с завода (табл. 1). Математическое моделирование химико-технологических процессов представляет собой мощный инструмент для анализа и оптимизации технологических систем через серию комплексных компьютерных расчётов. Этот метод позволяет оперативно получить детализированное описание работы проектируемого оборудования, а также выявить основные закономерности исследуемого процесса, что способствует дальнейшей его оптимизации. В основе этого подхода лежит разработка математической модели, выбор эффективных алгоритмов для её решения, а также создание программного обеспечения, обеспечивающего точные и оперативные расчёты.
Таблица 1. Технологические параметры установки каталитического риформинга
Table 1. Technological Parameters of the Catalytic Reforming Unit
№ | Параметры Parameters | Давление, атм Pressure, atm | Температура, °C Temperature, °C | Перепад температур, °C Temperature difference, °C |
1 | Реактор R-202 / Reactor R-202 | 20 | 498,4 | 60 |
2 | Реактор R-203 / Reactor R-203 | 20 | 498,7 | 25 |
3 | Реактор R-204 / Reactor R-204 | 20 | 498,5 | 10 |
4 | Объём переработанного сырья, т Processed feed volume, tons | 637171 | ||
5 | Расход ВСГ, м3/ч HBG consumption, m³/hour | 194603 | ||
6 | Влажность ВСГ, ppm / HBG humidity, ppm | 15,0 | ||
7 | Серы в гидрогенизате, ppm Sulfur in hydrogenate, ppm | 0,10 | ||
8 | Расход сырья, м3/ч Feed consumption, m³/hour | 130,0 | ||
На этапе построения модели для процессов каталитического риформинга первостепенной задачей является определение ключевых химических реакций и механизмов их протекания. Важно учитывать термодинамические, кинетические и гидродинамические параметры, такие как энтальпия, энтропия, энергия Гиббса и степень превращения вещества, а также активность катализатора, применяемого в реакторе.
Каталитический риформинг значительно трансформирует углеводородный состав бензиновых фракций, увеличивая содержание ароматических УВ благодаря ряду каталитических реакций. Эти реакции включают дегидрирование циклогексана и его производных, изомеризацию и последующее дегидрирование производных циклопентана, а также дегидроциклизацию парафинов. Дополнительные важные реакции, такие как гидрокрекинг, гидрогенолиз и изомеризация УВ, оказывают существенное влияние на конечный состав продуктов. Для предотвращения образования кокса процесс часто проводят при высоком давлении водорода, используя движущийся слой катализатора, что обеспечивает его непрерывную регенерацию и стабильность работы системы [6, 7].
Термодинамический анализ реакций осуществляется для оценки вероятности протекания каждой стадии процесса. При этом рассчитываются значения энергии Гиббса (5), константы равновесия реакций, энтальпия и энтропия реакций (6):
(5)
(6)
где G – свободная энергия Гиббса, кДж/моль; H – Энтальпия, Дж/моль; T – температура, К; S – энтропия, Дж/К; Kр – стандартная константа равновесия; R – универсальная газовая постоянная, 8,314 Дж/(моль·K).
Термодинамическое моделирование включает расчёты распределения температуры по длине реактора и по всему объёму катализаторного слоя. Это требует решения уравнений теплообмена в комбинации с уравнениями состояния вещества, чтобы определить равновесие фаз и изменение состояния катализатора при различных температурах.
Разработанная система включает 69 групповых компонентов. Математическая модель представляет собой комбинацию, основанную на ранее предложенных моделях. Она описывается системой из 70 дифференциальных уравнений (69 уравнений для групп компонентов и одно уравнение для температуры), представленных уравнениями (7–8) и (9). Численное решение данной системы осуществлено с использованием многошагового метода, реализованного в специально разработанной компьютерной программе. Схема реакций была разработана на основе экспериментальных данных по составу сырья и продуктов с учетом термодинамических расчётов [8–9] (рис. 3).
Рисунок 3. Цепочка превращений УВ в процессе каталитического риформинга, учитывающая константы скорости химических реакций
Figure 3. Hydrocarbon transformation chain in the catalytic reforming process, taking into account the rate constants of chemical reactions
На основе предложенных схем превращений были разработаны кинетические модели процесса, а также составлены уравнения материальных и тепловых балансов. Путём решения обратной кинетической задачи были рассчитаны значения констант скоростей реакций. Константа скорости реакции ki подчиняется зависимости Аррениуса (7):
(7)
где Ai – предэкспоненциальный фактор (частота столкновений); Ea – энергия активации.
Для описания поведения потоков газа и жидкости в реакторе используются уравнения Навье-Стокса (8):
(8)
где ρ – плотность жидкости, кг/м³; v – вектор скорости потока, м/с; p – давление, Па; μ – динамическая вязкость, Па·с; f – внешние силы (например, гравитация).
Для моделирования теплообмена в каталитическом риформинге необходимо использовать уравнение теплопередачи (9):
(9)
где k – коэффициент теплопроводности, Вт/м·K; Cp – теплоемкость, Дж/кг·K; Q – источник тепла, Вт/м³ (например, теплота реакции).
В реакторах с неподвижным слоем катализатора потоки газа или жидкости описаны через модели конвективно-дисперсионного переноса (10):
(10)
где u – средняя скорость потока вдоль оси реактора, м/с; Dax – осевой коэффициент дисперсии.
Учёт процесса дезактивации при эксплуатации платиносодержащих катализаторов риформинга вследствие закоксовывания кислотных и металлических центров осуществляется при построении модели через функцию дезактивации (11–12):
(11)
(12)
где Kjm, Kjk – константы скоростей стадий, протекающих на металлических и кислотных центрах незакоксованного катализатора, соответственно; Fm, Fk – функции дезактивации металлических и кислотных центров катализаторов.
После идентификации пиков и определения массового содержания УВ в образцах с использованием программы Aktiv на основе базы данных компонентов автоматически создаются файлы для дальнейших расчётов. После формирования этих расчётных файлов с помощью программы и доступных технологических данных проводится расчёт ключевых характеристик процесса каталитического риформинга.
Результаты и обсуждение
Для проверки адекватности расчёта были взяты 10 нефтяных фракций с различными групповым и компонентным составом (рис. 4). Как видно из данного рисунка, содержание н-парафинов в пробах варьируется от 21,58% до 31,55%. В экспериментах №4, 5 и 9 их содержание наибольшее по сравнению с другими экспериментами. Высокое содержание н-парафинов обеспечивает увеличение выхода продукта с высоким октановым числом, т.к. н-парафины легко преобразуются в ароматические УВ.
Рисунок 4. Расчётные составы сырья каталитического риформинга
Figure 4. Calculated compositions of the catalytic reforming feedstock
Доля изо-парафинов колеблется от 18,71% до 26,63%. Они менее реакционноспособны, однако их присутствие способствует улучшению октанового числа конечного продукта через процессы изомеризации и циклизации.
Содержание нафтенов колеблется от 26,95% до 44,5%, что благоприятно для процесса риформинга, т.к. они легко преобразуются в ароматику, повышая октановое число.
Содержание ароматических УВ варьируется от 7,11% до 26,6%. Это говорит о том, что исходное сырьё уже обладает некоторыми свойствами высокого октанового числа, однако нужно следить за уровнем коксообразования.
Сырьё с высоким содержанием нафтенов является наиболее ценным для процесса риформинга, поскольку нафтеновые УВ превращаются в ароматические соединения с более высокой селективностью по сравнению с парафиновыми.
На рис. 5 представлены данные в процентном содержании различных компонентов в 10 образцах продукта каталитического риформинга – катализата. Ароматические соединения составляют наибольшую долю во всех образцах, варьируясь от 58,31% (№9) до 64,35% (№2). Содержание циклоалканов минимально по сравнению с другими компонентами и варьируется от 1,84% (№1) до 3,86% (№4). Содержание изопарафинов колеблется между 20,72% (№ 3) и 26,17% (№8), что делает их вторым по значимости компонентом после ароматических УВ. Содержание нормальных парафинов варьируется от 10,54% (№5) до 14,36% (№ 10).
Рисунок 5. Расчётные составы катализата каталитического риформинга
Figure 5. Calculated compositions of the catalytic reforming catalyst
Диаграмма демонстрирует значительное преобладание ароматических УВ в составе всех образцов углеводородных смесей с меньшей долей изопарафинов и нормальных парафинов и минимальной долей циклоалканов.
Для оценки точности математической модели были проведены сравнения расчётных и экспериментальных данных 10 исследуемых образцов (табл. 2). Указаны погрешности прогнозирования ∆X. Абсолютная погрешность моделирования определяется как разница между расчётными и фактическими данными процесса. Допустимые пределы погрешности регламентируются отраслевыми стандартами. Для расчётов, выполненных с помощью программного обеспечения для моделирования процесса каталитического риформинга, погрешность не превышает 3%, что подтверждает адекватность модели и высокую точность воспроизведения технологического процесса.
Таблица 2. Сравнение между расчетными и экспериментальными значениями показателей каталитического риформинга
Table 2. Comparison between calculated and experimental values of catalytic reforming parameters
№ | n-parafins | ∆X | i-parafins | ∆X | сyclo-alkanes – 5 | ∆X | сyclo-alkanes – 6 | ∆X | aromatics | ∆X | |||||
X0 | X | X0 | X | X0 | X | X0 | X | X0 | X | ||||||
1 | 12,95 | 11,62 | 0,7 | 23,93 | 23,23 | 0,7 | 1,72 | 1,85 | 0,13 | 1,01 | 1,4 | 0,39 | 61,39 | 61,34 | 0,05 |
2 | 12,66 | 10,85 | 1,81 | 21,53 | 20,52 | 1,01 | 1,71 | 2,22 | 0,51 | 1,18 | 1,45 | 0,27 | 63,92 | 63,83 | 0,09 |
3 | 13,31 | 10,67 | 2,64 | 21,01 | 20,47 | 0,54 | 1,74 | 2,26 | 0,52 | 1,3 | 1,79 | 0,49 | 63,64 | 63,65 | 0,01 |
4 | 14,36 | 12,39 | 1,97 | 24,2 | 24,47 | 0,27 | 1,08 | 1,55 | 0,47 | 0,44 | 0,85 | 0,41 | 59,91 | 59,89 | 0,02 |
5 | 10,65 | 11,55 | 0,9 | 21,97 | 21,18 | 0,79 | 3,35 | 1,77 | 1,58 | 0,51 | 1,5 | 0,99 | 63,53 | 63,59 | 0,06 |
6 | 10,54 | 10,68 | 0,14 | 21,79 | 21,95 | 0,16 | 2,94 | 1,43 | 1,51 | 0,51 | 1,82 | 1,31 | 64,22 | 64,19 | 0,03 |
7 | 12,29 | 10,95 | 1,34 | 23,54 | 23,42 | 0,12 | 0,76 | 1,26 | 0,5 | 0,93 | 1,25 | 0,32 | 62,48 | 62,54 | 0,06 |
8 | 12,39 | 10,87 | 1,52 | 21,86 | 21,5 | 0,36 | 1,86 | 1,79 | 0,07 | 0,97 | 1,54 | 0,57 | 63,93 | 63,94 | 0,01 |
9 | 14,76 | 12,7 | 2,06 | 22,53 | 22,76 | 0,23 | 1,86 | 1,98 | 0,12 | 0,52 | 0,92 | 0,4 | 61,33 | 61,25 | 0,08 |
10 | 13,83 | 14,32 | 0,49 | 26,17 | 24,54 | 1,63 | 1,29 | 1,5 | 0,21 | 0,4 | 0,54 | 0,14 | 58,31 | 58,23 | 0,08 |
Заключение и выводы
В результате проведённого исследования была успешно интегрирована математическая модель, объединяющая термодинамические, кинетические и гидродинамические аспекты нефтеперерабатывающего процесса. Модель была верифицирована на основе экспериментальных данных и условий реальной эксплуатации, что позволило достичь высокой точности и надежности. Абсолютная погрешность не превышает 3%. Также для оценки адекватности исследовались 10 образцов сырья, различных по составу и преобладанию групп парафиновых, нафтеновых или ароматических УВ.
Полученные результаты подтвердили, что комплексный подход к моделированию обеспечивает более глубокое понимание процесса и эффективное управление им, что в свою очередь способствует оптимизации и улучшению его характеристик.
Данная модель может быть эффективно использована для обучения персонала в области моделирования технологических процессов. Программа отличается простотой в применении: технологическая схема уже разработана и включает готовый шаблон для ввода необходимых исходных данных. В отличие от программного обеспечения Aspen HYSYS, используемого в АО НК «КазМунайГаз», которое может представлять сложность для начинающих пользователей, предложенная модель обладает более интуитивным интерфейсом и не требует глубоких знаний в программировании или моделировании, что делает её идеальной для начальной подготовки специалистов.
ДОПОЛНИТЕЛЬНО
Источник финансирования. Данное исследование финансируется в рамках проекта «Жас ғалым» АР19175752 «Научно-техническое обеспечение энергосбережения и ресурсоэффективности технологии приготовления высокооктановых бензинов и ароматических углеводородов» AP23487495 «Повышение ресурсоэффективности и энергосбережения технологии приготовления продуктов нефтепереработки методом гибридного моделирования» (Грант № «BR24992883 Создание научно-технологического парка нефтехимии и полимерных материалов для предоставления услуг, и внедрения прикладных результатов НИР в приоритетные сектора экономики страны»).
Конфликт интересов. Авторы декларируют отсутствие явных и потенциальных конфликтов интересов, связанных с публикацией настоящей статьи.
Вклад авторов. Все авторы подтверждают соответствие своего авторства международным критериям ICMJE (все авторы внесли существенный вклад в разработку концепции, проведение исследования и подготовку статьи, прочли и одобрили финальную версию перед публикацией). Наибольший вклад распределён следующим образом: Сейтенова Г.Ж. – концепция исследования; Дюсова Р.М. – анализ полученных данных; Жакманова Е.А. – сбор и обработка данных, написание текста; Сергеевс Я. – сбор и обработка данных, иллюстрации; Борашова М. – сбор и обработка данных.
ADDITIONAL INFORMATION
Funding source. This research is funded under the "Zhas Galym" project AP19175752 "Scientific and technical support for energy saving and resource efficiency of the technology for preparation of high-octane gasoline and aromatic hydrocarbons", AP23487495 "Enhancing resource efficiency and energy saving in the technology for producing oil refining products through hybrid modeling" (Grant No. "BR24992883 Creation of a scientific and technological park for petrochemicals and polymer materials to provide services and implement applied research results in priority sectors of the country's economy").
Competing interests. The authors declare that they have no competing interests.
Authors’ contribution. All authors made a substantial contribution to the conception of the work, acquisition, analysis, interpretation of data for the work, drafting and revising the work, final approval of the version to be published and agree to be accountable for all aspects of the work. The greatest contribution is distributed as follows: Gaini Zh. Seitenova – research conceptualization; Rizagul M. Dyussova – analysis of obtained data; Yekaterina A. Zhakmanova – data collection and processing, writing the text; Yakobs Sergeevs – data collection and processing, illustrations; Moldir Borashova – data collection and processing.
About the authors
Gaini Zh. Seitenova
Association of Producers and Consumers of Petrogaschemical Products (Petrogaschemical Association)
Email: gainiseitenova@gmail.com
ORCID iD: 0000-0001-6202-3951
Kazakhstan, Astana
Rizagul M. Dyussova
Toraighyrov University
Email: rizagul.dyussova@gmail.com
ORCID iD: 0000-0003-3083-5255
Kazakhstan, Pavlodar
Ekaterina A. Zhamanova
Eurasian National University
Email: ekaterina.zakmanova1998@gmail.com
ORCID iD: 0000-0003-0545-5912
Kazakhstan, Astana
Yakobs Sergeevs
Toraighyrov University
Email: sergeevs_yakobs@mail.ru
ORCID iD: 0009-0009-2090-9143
Kazakhstan, Pavlodar
Moldir Barashkova
Atyrau University of Oil and Gas
Author for correspondence.
Email: moldirborasheva1992@gmail.com
ORCID iD: 0009-0009-2842-0078
Cand. Sc. (Engineering)
Kazakhstan, AtyrauReferences
- kmg.kz [Internet]. АО НК «КазМунайГаз». Годовой отчет за 2022 год [cited 2024 Jul 27]. Available from: https://ar2022.kmg.kz/ru.
- astm.org [Internet]. ASTM D6730-01(2011) Standard Test Method for Determination of Individual Components in Spark Ignition Engine Fuels by 100 Metre Capillary (with Precolumn) High-Resolution Gas Chromatography [cited 2024 Aug 18]. Available from: https://www.astm.org/d6730-01r11.html.
- astm.org [Internet]. ASTM D2427-06 Standard Test Method for Determination of C2 through C5 Hydrocarbons in Gasolines by Gas Chromatography (Withdrawn 2023) [cited 2024 Jun 20]. Available from: https://www.astm.org/d2427-06r19.html.
- astm.org [Internet]. ASTM D4052 Standard Test Method for Density, Relative Density, and API Gravity of Liquids by Digital Density Meter [cited 2024 Aug 18]. Available from: https://www.astm.org/standards/d4052.
- astm.org [Internet]. ASTM D86 Standard Test Method for Distillation of Petroleum Products and Liquid Fuels at Atmospheric Pressure [cited 2024 Jul 27]. Available from: https://www.astm.org/standards/d86.
- Seitenova GZ, Dyussova RM, Brurmbayeva GR. Matematicheskoye modelirovaniye processov neftepererabotki kak metod resursosberezheniya i energoeffektivnosti. Oil & Gas. 2023;1(133):144–154. doi: 10.37878/2708-0080/2023-1.13. (In Russ).
- Zainullin RZ, Zagoruiko AN, Koledina KF, et al. Multi-Criterion Optimization of a Catalytic Reforming Reactor Unit Using a Genetic Algorithm. Catalysis in petroleum refining industry. 2020;12:133–140. doi: 10.1134/S2070050420020129.
- Smith JM, Van Ness HC, Abbott MM, Swihart MT. Introduction to Chemical Engineering Thermodynamics. 9th ed. New York: McGraw Hill Education; 2022.
- Ivanchina D, Chuzlov VA, Ivanchin NR, et al. Frame-Production Model of Petroleum Feedstocks Catalytic Processing for the Representation of Knowledge about Process. Petroleum and Coal. 2021;63(3):668–673.
Supplementary files








